LimePSB RPCM v1.4 Board

Introduction

LimePSB RPCM v1.4 Board Key Features

The LimePSB RPCM is carrier board for Raspberry Pi Compute Module 4 or 5 (CM4 or CM5) and mPCIe card (by default LimeSDR XTRX board). LimePSB RPCM carrier board provides a hardware platform for developing and prototyping high-performance designs based on Raspberry Pi CM4 or CM5, RF front end, clock network and mPCIe card. It allows user to use the board in SDR, LoRa and other applications.

../_images/LimePSB-RPCM_v1.4_3D_top.png

Figure 1 LimePSB RPCM v1.4 board top view

../_images/LimePSB-RPCM_v1.4_3D_bot.png

Figure 2 LimePSB RPCM v1.4 board bottom view

LimePSB RPCM board features:

  • Connectors:

    • Raspberry CM4 and CM5 connector (dual row)

    • USB 2.0 Type-C socket (USB boot and power delivery)

    • Dual USB 3.0 (type A) socket and USB header (downstream ports) or Front Panel USB 2.0 header (unpopulated)

    • Ethernet jack (Gigabit Ethernet with PoE)

    • mini PCIe x1 Gen 2 (5Gbps)

    • 2x Micro HDMI 2.0 receptacle (up to 4Kp60 supported)

    • 2x 15-pin FPC connectors for MIPI DSI display and CSI camera

    • 3.5 mm 4-pin jack for analog audio and composite video

    • uSD card socket

    • Nano-SIM socket

    • Coaxial RF (4x SMA female + 4x U.FL female) connectors for RF front end

    • External synchronization (2x SMA female) connectors for input and output

    • 2x Coaxial pass-through U.FL to external SMA connectors

    • 20-pin Raspberry CM4/5 GPIO header (3.3V)

    • 14-pin Raspberry CM4/5 SYS header

    • 5-pin front display connector (power, I2C, button)

    • Raspberry CM4/5 UART0 header (unpopulated)

    • 2-pin and 4-pin FAN connector (5V default or 3.3V or VCC_INT voltage)

  • RF front end:

    • Configuration: MIMO (2x TRX, 2x RX)

    • LNAs, PAs, RF switches, Couplers, TX power detectors, power (ON/OFF) and mode control (TDD and FDD)

  • Miscellaneous:

    • o FPGA Lattice iCE40 Ultra family (iCE5LP4K)

    • Board temperature sensor

    • FAN controller

    • EEPROM

    • Secure key storage, I/O expander

    • RTC, ADC

    • USB 2.0 hub

    • Configuration dip switch

  • General user inputs/outputs:

    • 4x general purpose Dual colour (RG) LEDs

    • 20 pin CM4/5 GPIO header (3.3V)

    • Front button

    • Buzzer

  • Clock system:

    • GNSS receiver

    • 30.72MHz and 10 MHz (default) on board VCOCXOs and 30.72/38.4/40.00MHz (optional) VCTCXOs

    • Possibility to tune on board XO by on-board DAC or by phase detector to match a reference clock input (e.g. 10MHz).

    • Reference clock/PPS input and output SMA connectors (EXT_SYNC_IN and EXT_SYNC_OUT)

    • Possibility to synchronize multiple boards using coaxial SMA connectors (EXT_SYNC_IN and EXT_SYNC_OUT)

  • Board power sources:

    • Barrel (9-14V, 2-3A)

    • USB Power Delivery (12V 1.5A or 2.5A)

    • PoE (12V, 2A)

For more information on the following topics, refer to the folowing documents:

Board Overview

he heart of the LimePSB RPCM carrier board is Raspberry PI Compute Module 4 or Compute Module 5 which may be used to transfer digital data between the CM4/5 and mPCIe board while performing data processing. The block diagram for LimePSB RPCM board is as shown in Figure 3.

../_images/LimePSB-RPCM_v1.4_diagrams_r3_block.png

Figure 3 LimePSB RPCM v1.4 carrier Board Block Diagram

LimePSB RPCM board picture with highlighted connectors and main components are presented in Figure 4 and Figure 5.

../_images/LimePSB-RPCM_v1.4_top_components.png

Figure 4 LimePSB RPCM v1.4 board top connectors and main components

../_images/LimePSB-RPCM_v1.4_bot_components.png

Figure 5 LimePSB RPCM v1.4 board bottom connectors and main components

Board components are described in the Table 1.

Table 1. Board components

Miscellaneous devices

Board Reference

Type

Description

IC18

FPGA

Lattice iCE40 Ultra family (iCE5LP4K)

IC19

IC

FPGA configuration flash (16 MBIT)

IC7

IC

I²C temperature sensor LM75

IC8/IC9

IC

I²C EEPROM Memory 128Kb (16K x 8), connected to RF transceiver I2C bus

IC10/IC11

IC

I²C secure key storage

IC14/IC16

IC

I²C Real time clock

IC6

IC

8 channel 12 bit ADC

IC12, IC15

IC

I²C I/O expander

IC20

IC

USB2.0 HUB

IC21, IC26, IC27, IC29, IC30

IC

USB switch

J27, J26

Pin header

2-pin and 4-pin FAN connector (5V default or 3.3V or VCC_INT voltage)

Configuration, Status, Setup Elements and GPIOs

LED1, LED2, LED3, LED4

Red-green status LEDs

User defined indication LED

LED5

Red-green status LEDs

Raspberry CM4/5 status

LED6

Green status LED

Power indication LED

LED7

Red-green status LEDs

FPGA status

BZ1

Buzzer

User defined

J12

Header

14-pin Raspberry CM4 SYS header

J5

Header

Power control and PG status

J6

Header

Wireless LAN and Bluetooth control

J10

Header

20-pin CM4 GPIO header

J28

Header

FPGA configuration

DSW1

DIP switch

Boot and USB configuration

RF front end

IC52, IC54

IC

PA TQP3M9018

IC58, IC59

IC

LNA SPF5043Z

IC50, IC51, IC56, IC57

IC

RF switch F2972NEGK

IC53, IC55

IC

Coupler HHM22152A2

IC72, IC73

IC

RF power detector LTC5587

Communication Ports

J1, J2

Connector

Raspberry Pi CM4(L)/5 connectors

J11

Header

Raspberry CM4/5 UART0 header (unpopulated)

J8

Header

5-pin front screen connector (power, I2C, button)

J29

USB

USB 2.0 (Type-C) socket

J33

USB

Dual USB 3.0 (Type-A) socket

J9

Ethernet

Gigabit RJ45 (Ethernet with magnetics) port

J34, J35

HDMI

HDMI 2.0 socket

J15, J16

LVDS

FPC 15-pin for display and camera

J14, J17

Audio/Video

3.5 mm jack, Header (unpopulated)

J7

SDIO

Micro SD card holder

J4

Nano-SIM

Nano-SIM card holder

J3

Mini PCIe

Mini PCIe x1 expansion slot

Clock Circuitry

XO1

VCOCXO

30.72 MHz VCOCXO

XO6

VCOCXO

10 MHz VCOCXO

XO2, XO7

VCTCXO

30.72 MHz VCTCXO

XO3, XO8

VCTCXO

30.72 MHz VCTCXO

XO4, XO9

VCTCXO

40.00 MHz VCTCXO

XO5, XO10

VCTCXO

38.40 MHz VCTCXO

IC48

IC

GNSS receiver

IC36 (IC38)

IC

16 (8) bit DAC for XOs VC tuning

IC47

IC

RPi sync mux

IC31, IC39

IC

Clock buffer

IC37

IC

Phase detector

J36

SMA connector

Reference clock input EXT_SYNC_IN

J38

SMA connector

Reference clock output EXT_SYNC_OUT

J37, J39

U.FL connector

Reference clock output

J20/J22, J23/25, J21, J24

Multiple

Internal U.FL connectors J20/J22, J23/J25 to external SMA J21, J24

J41

U.FL connector

External GNSS antenna

IC33, IC32, IC35, IC40, IC41, IC42, IC43, IC45

IC

Clock signal analog mux

Power Supply

IC64

IC

Switching regulator ADP2386 (3.3V rail)

IC65

IC

Switching regulator ADP2386 (5.0V rail)

IC66, IC71

IC

Linear regulator AP7361-FGE (3.3V rail)

IC68

IC

Linear regulator AP7361-FGE (2.5V rail)

IC70

IC

Linear regulator AP7361-FGE (1.5V rail)

IC67

IC

Linear regulator AP7361-FGE (1.2V rail)

IC69

IC

Voltage reference AS431ANTR-G1 (2.5V rail)

IC76

IC

USB power delivery controller CYPD3177-24LQXQT

IC74

IC

Power over Ethernet controller AG5712-LPB

LimePSB RPCM Board Architecture

This chapter is dedicated for detailed description of LimePSB RPCM board components and interconnections.

Raspberry CM4/5 Connector

LimePSB RPCM board is designed to use Raspberry Pi CM4/5 as a host computer. Raspberry Pi CM4/5L version without eMMC Flash memory is also supported. Board to board connectors (J1 and J2) are used to connect CM4/5 to the LimePSB RPCM board. Connector pinout, CM4 and CM5 signals and schematic signal names are listed and described in Table 2.

Table 2. Raspberry Pi Compute Module 4 connector pinout

CM4 Pin

CM4 reference

Schematic signal name

Description [1]

1

GND

GND

Ground (0V)

2

GND

GND

Ground (0V)

3

Ethernet_Pair3_P

ETH_TRD3_P

Ethernet pair 3 positive

4

Ethernet_Pair1_P

ETH_TRD1_P

Ethernet pair 1 positive

5

Ethernet_Pair3_N

ETH_TRD3_N

Ethernet pair 3 negative

6

Ethernet_Pair1_N

ETH_TRD1_N

Ethernet pair 1 negative

7

GND

GND

Ground (0V)

8

GND

GND

Ground (0V)

9

Ethernet_Pair2_N

ETH_TRD2_N

Ethernet pair 2 negative

10

Ethernet_Pair0_N

ETH_TRD0_N

Ethernet pair 0 negative

11

Ethernet_Pair2_P

ETH_TRD2_P

Ethernet pair 2 positive

12

Ethernet_Pair0_P

ETH_TRD0_P

Ethernet pair 0 positive

13

GND

GND

Ground (0V)

14

GND

GND

Ground (0V)

15

Ethernet_nLED3

ETH_LED_Y

Ethernet activity indicator

16

Ethernet_SYNC_IN

RPI_PIN16

IEEE1588 SYNC Input

17

Ethernet_nLED2

ETH_LED_G

Ethernet speed indicator

18

Ethernet_SYNC_OUT

RPI_PIN18

IEEE1588 SYNC Output

19

Ethernet_nLED1

NC

Ethernet speed indicator

20

EEPROM_nWP

RPI_EEPROM_nWP

EEPROM write protect

21

Pi_nLED_Activity

RPI_STATUS_LED_R

Pi activity LED

22

GND

GND

Ground (0V)

23

GND

GND

Ground (0V)

24

GPIO26

RFPDB_CONV

General purpose

25

GPIO21

RPI_SPI1_SCLK

General purpose

26

GPIO19

RPI_SPI1_MISO

General purpose

27

GPIO20

RPI_SPI1_MOSI

General purpose

28

GPIO13

RPI_PWM1

General purpose

29

GPIO16

RPI_SPI1_SS2

General purpose

30

GPIO6

RPI_GPIO6

General purpose

31

GPIO12

RPI_PWM0

General purpose

32

GND

GND

Ground (0V)

33

GND

GND

Ground (0V)

34

GPIO5

BUZZER

General purpose

35

ID_SC

RPI_ID_SC

BCM2711 GPIO 1

36

ID_SD

RPI_ID_SD

BCM2711 GPIO 0

37

GPIO7

RPI_SPI0_SS1

General purpose

38

GPIO11

RPI_SPI0_SCLK

General purpose

39

GPIO8

RPI_SPI0_SS0

General purpose

40

GPIO9

RPI_SPI0_MISO

General purpose

41

GPIO25

RFPDA_CONV

General purpose

42

GND

GND

Ground (0V)

43

GND

GND

Ground (0V)

44

GPIO10

RPI_SPI0_MOSI

General purpose

45

GPIO24

RPI_BTN1

General purpose

46

GPIO22

RPI_GPIO22

General purpose

47

GPIO23

RPI_BTN2

General purpose

48

GPIO27

RPI_GPIO27

General purpose

49

GPIO18

RPI_SPI1_SS0

General purpose

50

GPIO17

RPI_SPI1_SS1

General purpose

51

GPIO15

RPI_UART0_RX

General purpose

52

GND

GND

Ground (0V)

53

GND

GND

Ground (0V)

54

GPIO4

RPI_GPIO4

General purpose

55

GPIO14

RPI_UART0_TX

General purpose

56

GPIO3

RPI_GPIO3

General purpose

57

SD_CLK

RPI_SD_CLK

SD card clock signal

58

GPIO2

RPI_GPIO2

General purpose

59

GND

GND

Ground (0V)

60

GND

GND

Ground (0V)

61

SD_DAT3

RPI_SD_D3

SD card/eMMC Data3 signal

62

SD_CMD

RPI_SD_CMD

SD card/eMMC Command signal

63

SD_DAT0

RPI_SD_D0

SD card/eMMC Data0 signal

64

SD_DAT5

NC

SD card/eMMC Data5 signal

65

GND

GND

Ground (0V)

66

GND

GND

Ground (0V)

67

SD_DAT1

RPI_SD_D1

SD card/eMMC Data1 signal

68

SD_DAT4

NC

SD card/eMMC Data4 signal

69

SD_DAT2

RPI_SD_D2

SD card/eMMC Data2 signal

70

SD_DAT7

NC

SD card/eMMC Data7 signal

71

GND

GND

Ground (0V)

72

SD_DAT6

NC

SD card/eMMC Data6 signal

73

SD_VDD_Override

NC

Force SD card/eMMC interface

74

GND

GND

Ground (0V)

75

SD_PWR_ON

RPI_SD_PWR_ON

Output to power-switch for the SD card

76

Reserved

RPI_VBAT

Do not connect

77

+5V (Input)

VCC5P0

4.75V-5.25V. Main power input

78

GPIO_VREF

VCC3P3

GPIO reference voltage

79

+5V (Input)

VCC5P0

4.75V-5.25V. Main power input

80

SCL0

RPI_I2C0_SCL

I2C clock pin

81

+5V (Input)

VCC5P0

4.75V-5.25V. Main power input

82

SDA0

RPI_I2C0_SDA

I2C Data pin

83

+5V (Input)

VCC5P0

4.75V-5.25V. Main power input

84

CM4_3.3V (Output)

VCC3P3_RPI

3.3V ± 2.5%. Power Output

85

+5V (Input)

VCC5P0

4.75V-5.25V. Main power input

86

CM4_3.3V (Output)

VCC3P3_RPI

3.3V ± 2.5%. Power Output

87

+5V (Input)

VCC5P0

4.75V-5.25V. Main power input

88

CM4_1.8V (Output)

VCC1P8_RPI

1.8V ± 2.5%. Power Output

89

WL_nDisable

RPI_WL_nDISABLE

Wireless interface disable

90

CM4_1.8V (Output)

VCC1P8_RPI

1.8V ± 2.5%. Power Output

91

BT_nDisable

RPI_BT_nDISABLE

Bluetooth interface disable

92

RUN_PG

RPI_RUN_PG

CM4 CPU reset/power good

93

nRPIBOOT

RPI_nRPIBOOT

booting from an RPI server

94

AnalogIP1

RPI_AIP1

Analogue input

95

PI_LED_nPWR

RPI_LED_nPWR

Power On LED

96

AnalogIP0

RPI_AIP0

Analogue input

97

Camera_GPIO

CAM1_GPIO0

Used to shut down the camera

98

GND

GND

Ground (0V)

99

GLOBAL_EN

RPI_GLOBAL_EN

CM4 enable

100

nEXTRST

RPI_nEXTRST

Output. Driven low during reset

101

USB_OTG_ID

RPI_USB_OTG_ID

USB OTG Pin

102

PCIe_CLK_nREQ

RPI_PCIE_CLK_nREQ

PCIe clock request

103

USB_N

RPI_USB_D_N

USB D-

104

Reserved

NC

Do not connect

105

USB_P

RPI_USB_D_P

USB D+

106

Reserved

RPI_PCIE_DET_nWAKE

Do not connect

107

GND

GND

Ground (0V)

108

GND

GND

Ground (0V)

109

PCIe_nRST

RPI_PCIE_nRST

PCIe reset

110

PCIe_CLK_P

RPI_PCIE_CLK_P

PCIe clock Out positive

111

VDAC_COMP

RPI_PIN11

Video DAC output

112

PCIe_CLK_N

RPI_PCIE_CLK_N

PCIe clock Out negative

113

GND

GND

Ground (0V)

114

GND

GND

Ground (0V)

115

CAM1_D0_N

CAM1_D0_N

Input Camera1 D0 negative

116

PCIe_RX_P

RPI_PCIE_RX_P

Input PCIe GEN 2 RX positive

117

CAM1_D0_P

CAM1_D0_P

Input Camera1 D0 positive

118

PCIe_RX_N

RPI_PCIE_RX_N

Input PCIe GEN 2 RX negative

119

GND

GND

Ground (0V)

120

GND

GND

Ground (0V)

121

CAM1_D1_N

CAM1_D1_N

Input Camera1 D1 negative

122

PCIe_TX_P

RPI_PCIE_TX_P

Output PCIe GEN 2 TX positive

123

CAM1_D1_P

CAM1_D1_P

Input Camera1 D1 positive

124

PCIe_TX_N

RPI_PCIE_TX_N

Output PCIe GEN 2 TX positive

125

GND

GND

Ground (0V)

126

GND

GND

Ground (0V)

127

CAM1_C_N

CAM1_CLK_N

Input Camera1 clock negative

128

CAM0_D0_N

RPI_USB3_RX0_N

Input Camera0 D0 negative

129

CAM1_C_P

CAM1_CLK_P

Input Camera1 clock positive

130

CAM0_D0_P

RPI_USB3_RX0_P

Input Camera0 D0 positive

131

GND

GND

Ground (0V)

132

GND

GND

Ground (0V)

133

CAM1_D2_N

NC

Input Camera1 D2 negative

134

CAM0_D1_N

RPI_USB3_D0_P

Input Camera0 D1 negative

135

CAM1_D2_P

NC

Input Camera1 D2 positive

136

CAM0_D1_P

RPI_USB3_D0_N

Input Camera0 D1 positive

137

GND

GND

Ground (0V)

138

GND

GND

Ground (0V)

139

CAM1_D3_N

NC

Input Camera1 D3 negative

140

CAM0_C_N

RPI_USB3_TX0_N

Input Camera0 clock negative

141

CAM1_D3_P

NC

Input Camera1 D3 positive

142

CAM0_C_P

RPI_USB3_TX0_P

Input Camera0 clock positive

143

HDMI1_HOTPLUG

HDMI1_HOTPLUG

Input HDMI1 hotplug

144

GND

GND

Ground (0V)

145

HDMI1_SDA

HDMI1_SDA

A Bidirectional HDMI1 SDA

146

HDMI1_TX2_P

HDMI1_D2_P

Output HDMI1 TX2 positive

147

HDMI1_SCL

HDMI1_SCL

Bidirectional HDMI1 SCL

148

HDMI1_TX2_N

HDMI1_D2_N

Output HDMI1 TX2 negative

149

HDMI1_CEC

HDMI1_CEC

Input HDMI1 CEC

150

GND

GND

Ground (0V)

151

HDMI0_CEC

HDMI0_CEC

Input HDMI0 CEC

152

HDMI1_TX1_P

HDMI1_D1_P

Output HDMI1 TX1 positive

153

HDMI0_HOTPLUG

HDMI0_HPD

Input HDMI0 hotplug

154

HDMI1_TX1_N

HDMI1_D1_N

Output HDMI1 TX1 negative

155

GND

GND

Ground (0V)

156

GND

GND

Ground (0V)

157

DSI0_D0_N

RPI_USB3_RX1_N

Output Display0 D0 negative

158

HDMI1_TX0_P

HDMI1_D0_P

Output HDMI1 TX0 positive

159

DSI0_D0_P

RPI_USB3_RX1_P

Output Display0 D0 positive

160

HDMI1_TX0_N

HDMI1_D0_N

Output HDMI1 TX0 negative

161

GND

GND

Ground (0V)

162

GND

GND

Ground (0V)

163

DSI0_D1_N

RPI_USB3_D1_P

Output Display0 D1 negative

164

HDMI1_CLK_P

HDMI1_CLK_P

Output HDMI1 clock positive

165

DSI0_D1_P

RPI_USB3_D1_N

Output Display0 D1 positive

166

HDMI1_CLK_N

HDMI1_CLK_N

Output HDMI1 clock negative

167

GND

GND

Ground (0V)

168

GND

GND

Ground (0V)

169

DSI0_C_N

RPI_USB3_TX1_N

Output Display0 clock negative

170

HDMI0_TX2_P

HDMI0_D2_P

Output HDMI0 TX2 positive

171

DSI0_C_P

RPI_USB3_TX1_P

Output Display0 clock positive

172

HDMI0_TX2_N

HDMI0_D2_N

Output HDMI0 TX2 negative

173

GND

GND

Ground (0V)

174

GND

GND

Ground (0V)

175

DSI1_D0_N

DSI1_D0_N

Output Display1 D0 negative

176

HDMI0_TX1_P

HDMI0_D1_P

Output HDMI0 TX1 positive

177

DSI1_D0_P

DSI1_D0_P

Output Display1 D0 positive

178

HDMI0_TX1_N

HDMI0_D1_N

Output HDMI0 TX1 negative

179

GND

GND

Ground (0V)

180

GND

GND

Ground (0V)

181

DSI1_D1_N

DSI1_D1_N

Output Display1 D1 negative

182

HDMI0_TX0_P

HDMI0_D0_P

Output HDMI0 TX0 positive

183

DSI1_D1_P

DSI1_D1_P

Output Display1 D1 positive

184

HDMI0_TX0_N

HDMI0_D0_N

Output HDMI0 TX0 negative

185

GND

GND

Ground (0V)

186

GND

GND

Ground (0V)

187

DSI1_C_N

DSI1_CLK_N

Output Display1 clock negative

188

HDMI0_CLK_P

HDMI0_CLK_P

Output HDMI0 clock positive

189

DSI1_C_P

DSI1_CLK_P

Output Display1 clock positive

190

HDMI0_CLK_N

HDMI0_CLK_N

Output HDMI0 clock negative

191

GND

GND

Ground (0V)

192

GND

GND

Ground (0V)

193

DSI1_D2_N

NC

Output Display1 D2 negative

194

DSI1_D3_N

NC

Output Display1 D3 negative

195

DSI1_D2_P

NC

Output Display1 D2 positive

196

DSI1_D3_P

NC

Output Display1 D3 positive

197

GND

GND

Ground (0V)

198

GND

GND

Ground (0V)

199

HDMI0_SDA

HDMI0_SDA

Bidirectional HDMI0 SDA

200

HDMI0_SCL

HDMI0_SCL

Bidirectional HDMI0 SCL

Table 2. Raspberry Pi Compute Module 5 connector pinout

CM4 Pin

CM4 reference

Schematic signal name

Description [2]

1

GND

GND

Ground (0V)

2

GND

GND

Ground (0V)

3

Ethernet_Pair3_P

ETH_TRD3_P

Ethernet pair 3 positive

4

Ethernet_Pair1_P

ETH_TRD1_P

Ethernet pair 1 positive

5

Ethernet_Pair3_N

ETH_TRD3_N

Ethernet pair 3 negative

6

Ethernet_Pair1_N

ETH_TRD1_N

Ethernet pair 1 negative

7

GND

GND

Ground (0V)

8

GND

GND

Ground (0V)

9

Ethernet_Pair2_N

ETH_TRD2_N

Ethernet pair 2 negative

10

Ethernet_Pair0_N

ETH_TRD0_N

Ethernet pair 0 negative

11

Ethernet_Pair2_P

ETH_TRD2_P

Ethernet pair 2 positive

12

Ethernet_Pair0_P

ETH_TRD0_P

Ethernet pair 0 positive

13

GND

GND

Ground (0V)

14

GND

GND

Ground (0V)

15

Ethernet_nLED3

ETH_LED_Y

Ethernet activity indicator

16

Fan_Tacho

RPI_PIN16

Fan Tacho Input pin

17

Ethernet_nLED2

ETH_LED_G

Ethernet speed indicator

18

Ethernet_SYNC_OUT

RPI_PIN18

IEEE1588 SYNC Output

19

Fan_PWM

NC

Open drain output

20

EEPROM_nWP

RPI_EEPROM_nWP

EEPROM write protect

21

Pi_nLED_Activity

RPI_STATUS_LED_R

Pi activity LED

22

GND

GND

Ground (0V)

23

GND

GND

Ground (0V)

24

GPIO26

RFPDB_CONV

General purpose

25

GPIO21

RPI_SPI1_SCLK

General purpose

26

GPIO19

RPI_SPI1_MISO

General purpose

27

GPIO20

RPI_SPI1_MOSI

General purpose

28

GPIO13

RPI_PWM1

General purpose

29

GPIO16

PRI_SPI1_SS2

General purpose

30

GPIO6

RPI_GPIO6

General purpose

31

GPIO12

RPI_PWM0

General purpose

32

GND

GND

Ground (0V)

33

GND

GND

Ground (0V)

34

GPIO5

BUZZER

General purpose

35

ID_SC

RPI_ID_SC

BCM2711 GPIO 1

36

ID_SD

RPI_ID_SD

BCM2711 GPIO 0

37

GPIO7

RPI_SPI0_SS1

General purpose

38

GPIO11

RPI_SPI0_SCLK

General purpose

39

GPIO8

RPI_SPI0_SS0

General purpose

40

GPIO9

RPI_SPI0_MISO

General purpose

41

GPIO25

RFPDA_CONV

General purpose

42

GND

GND

Ground (0V)

43

GND

GND

Ground (0V)

44

GPIO10

RPI_SPI0_MOSI

General purpose

45

GPIO24

RPI_BTN1

General purpose

46

GPIO22

RPI_GPIO22

General purpose

47

GPIO23

RPI_BTN2

General purpose

48

GPIO27

RPI_GPIO27

General purpose

49

GPIO18

RPI_SPI1_SS0

General purpose

50

GPIO17

RPI_SPI1_SS1

General purpose

51

GPIO15

RPI_UART0_RX

General purpose

52

GND

GND

Ground (0V)

53

GND

GND

Ground (0V)

54

GPIO4

RPI_GPIO4

General purpose

55

GPIO14

RPI_UART0_TX

General purpose

56

GPIO3

RPI_GPIO3

General purpose

57

SD_CLK

RPI_SD_CLK

SD card clock signal

58

GPIO2

RPI_GPIO2

General purpose

59

GND

GND

Ground (0V)

60

GND

GND

Ground (0V)

61

SD_DAT3

RPI_SD_D3

SD card/eMMC Data3 signal

62

SD_CMD

RPI_SD_CMD

SD card/eMMC Command signal

63

SD_DAT0

RPI_SD_D0

SD card/eMMC Data0 signal

64

SD_DAT5

NC

SD card/eMMC Data5 signal

65

GND

GND

Ground (0V)

66

GND

GND

Ground (0V)

67

SD_DAT1

RPI_SD_D1

SD card/eMMC Data1 signal

68

SD_DAT4

NC

SD card/eMMC Data4 signal

69

SD_DAT2

RPI_SD_D2

SD card/eMMC Data2 signal

70

SD_DAT7

NC

SD card/eMMC Data7 signal

71

GND

GND

Ground (0V)

72

SD_DAT6

NC

SD card/eMMC Data6 signal

73

SD_VDD_Override

NC

Force SD card/eMMC interface

74

GND

GND

Ground (0V)

75

SD_PWR_ON

RPI_SD_PWR_ON

Output to power-switch for the SD card

76

VBAT

RPI_VBAT

RTC Battery input

77

+5V (Input)

VCC5P0

4.75V-5.25V. Main power input

78

GPIO_VREF

VCC3P3

GPIO reference voltage

79

+5V (Input)

VCC5P0

4.75V-5.25V. Main power input

80

SCL0

RPI_I2C0_SCL

I2C clock pin

81

+5V (Input)

VCC5P0

4.75V-5.25V. Main power input

82

SDA0

RPI_I2C0_SDA

I2C Data pin

83

+5V (Input)

VCC5P0

4.75V-5.25V. Main power input

84

CM4_3.3V (Output)

VCC3P3_RPI

3.3V ± 2.5%. Power Output

85

+5V (Input)

VCC5P0

4.75V-5.25V. Main power input

86

CM4_3.3V (Output)

VCC3P3_RPI

3.3V ± 2.5%. Power Output

87

+5V (Input)

VCC5P0

4.75V-5.25V. Main power input

88

CM4_1.8V (Output)

VCC1P8_RPI

1.8V ± 2.5%. Power Output

89

WL_nDisable

RPI_WL_nDISABLE

Wireless interface disable

90

CM4_1.8V (Output)

VCC1P8_RPI

1.8V ± 2.5%. Power Output

91

BT_nDisable

RPI_BT_nDISABLE

Bluetooth interface disable

92

PWR_Button

RPI_RUN_PG

CM5 CPU turn on/off

93

nRPIBOOT

RPI_nRPIBOOT

booting from an RPI server

94

CC1

RPI_AIP1

USB PSU PD signal

95

LED_nPWR

RPI_LED_nPWR

Power On LED

96

CC2

RPI_AIP0

USB PSU PD signal

97

CAM_GPIO0

CAM1_GPIO0

Used to shut down the camera

98

GND

GND

Ground (0V)

99

PMIC_Enable

RPI_GLOBAL_EN

CM4 enable

100

CAM_GPIO1

RPI_nEXTRST

Output. Driven low during reset

101

USB_OTG_ID

RPI_USB_OTG_ID

USB OTG Pin

102

PCIe_CLK_nREQ

RPI_PCIE_CLK_nREQ

PCIe clock request

103

USB_N

RPI_USB_D_N

USB D-

104

PCIe_nWAKE

NC

PCIe WAKE# signal

105

USB_P

RPI_USB_D_P

USB D+

106

PCIe_PWR_EN

RPI_PCIE_DET_nWAKE

PCIe device enable

107

GND

GND

Ground (0V)

108

GND

GND

Ground (0V)

109

PCIe_nRST

RPI_PCIE_nRST

PCIe reset

110

PCIe_CLK_P

RPI_PCIE_CLK_P

PCIe clock Out positive

111

VBUS_EN

RPI_PIN11

USB3 power enable

112

PCIe_CLK_N

RPI_PCIE_CLK_N

PCIe clock Out negative

113

GND

GND

Ground (0V)

114

GND

GND

Ground (0V)

115

MIPI0_D0_N

CAM1_D0_N

Camera / display D0 negative

116

PCIe_RX_P

RPI_PCIE_RX_P

Input PCIe GEN 2 RX positive

117

MIPI0_D0_P

CAM1_D0_P

Camera / display D0 positive

118

PCIe_RX_N

RPI_PCIE_RX_N

Input PCIe GEN 2 RX negative

119

GND

GND

Ground (0V)

120

GND

GND

Ground (0V)

121

MIPI0_D1_N

CAM1_D1_N

Camera / display D1 negative

122

PCIe_TX_P

RPI_PCIE_TX_P

Output PCIe GEN 2 TX positive

123

MIPI0_D1_P

CAM1_D1_P

Camera / display D1 positive

124

PCIe_TX_N

RPI_PCIE_TX_N

Output PCIe GEN 2 TX positive

125

GND

GND

Ground (0V)

126

GND

GND

Ground (0V)

127

MIPI0_C_N

CAM1_CLK_N

Camera / display clock negative

128

USB3-0-RX_N

RPI_USB3_RX0_N

USB3 Port 0 RX Input negative

129

MIPI0_C_P

CAM1_CLK_P

Camera / display clock positive

130

USB3-0-RX_P

RPI_USB3_RX0_P

USB3 Port 0 RX Input positive

131

GND

GND

Ground (0V)

132

GND

GND

Ground (0V)

133

MIPI0_D2_N

NC

Camera / display D2 negative

134

USB3-0-DP

RPI_USB3_D0_P

USB3 port 0 DP

135

MIPI0_D2_P

NC

Camera / display D2 positive

136

USB3-0-DM

RPI_USB3_D0_N

USB3 Port 0 DM

137

GND

GND

Ground (0V)

138

GND

GND

Ground (0V)

139

MIPI0_D3_N

NC

Camera / display D3 negative

140

USB3-0-TX_N

RPI_USB3_TX0_N

USB3 Port 0 TX output negative

141

MIPI0_D3_P

NC

Camera / display D3 positive

142

USB3-0-TX_P

RPI_USB3_TX0_P

USB3 Port 0 TX output positive

143

HDMI1_HOTPLUG

HDMI1_HOTPLUG

Input HDMI1 hotplug

144

GND

GND

Ground (0V)

145

HDMI1_SDA

HDMI1_SDA

A Bidirectional HDMI1 SDA

146

HDMI1_TX2_P

HDMI1_D2_P

Output HDMI1 TX2 positive

147

HDMI1_SCL

HDMI1_SCL

Bidirectional HDMI1 SCL

148

HDMI1_TX2_N

HDMI1_D2_N

Output HDMI1 TX2 negative

149

HDMI1_CEC

HDMI1_CEC

Input HDMI1 CEC

150

GND

GND

Ground (0V)

151

HDMI0_CEC

HDMI0_CEC

Input HDMI0 CEC

152

HDMI1_TX1_P

HDMI1_D1_P

Output HDMI1 TX1 positive

153

HDMI0_HOTPLUG

HDMI0_HPD

Input HDMI0 hotplug

154

HDMI1_TX1_N

HDMI1_D1_N

Output HDMI1 TX1 negative

155

GND

GND

Ground (0V)

156

GND

GND

Ground (0V)

157

USB3-1-RX_N

RPI_USB3_RX1_N

USB3 Port 1 RX Input negative

158

HDMI1_TX0_P

HDMI1_D0_P

Output HDMI1 TX0 positive

159

USB3-1-RX_P

RPI_USB3_RX1_P

USB3 Port 1 RX Input positive

160

HDMI1_TX0_N

HDMI1_D0_N

Output HDMI1 TX0 negative

161

GND

GND

Ground (0V)

162

GND

GND

Ground (0V)

163

USB3-1-DP

RPI_USB3_D1_P

USB3 port 1 DP

164

HDMI1_CLK_P

HDMI1_CLK_P

Output HDMI1 clock positive

165

USB3-1-DM

RPI_USB3_D1_N

USB3 Port 1 DM

166

HDMI1_CLK_N

HDMI1_CLK_N

Output HDMI1 clock negative

167

GND

GND

Ground (0V)

168

GND

GND

Ground (0V)

169

USB3-1-TX_N

RPI_USB3_TX1_N

USB3 Port 1 TX output negative

170

HDMI0_TX2_P

HDMI0_D2_P

Output HDMI0 TX2 positive

171

USB3-1-TX_P

RPI_USB3_TX1_P

USB3 Port 1 TX output positive

172

HDMI0_TX2_N

HDMI0_D2_N

Output HDMI0 TX2 negative

173

GND

GND

Ground (0V)

174

GND

GND

Ground (0V)

175

MIPI1_D0_N

DSI1_D0_N

Camera / display D0 negative

176

HDMI0_TX1_P

HDMI0_D1_P

Output HDMI0 TX1 positive

177

MIPI1_D0_P

DSI1_D0_P

Camera / display D0 positive

178

HDMI0_TX1_N

HDMI0_D1_N

Output HDMI0 TX1 negative

179

GND

GND

Ground (0V)

180

GND

GND

Ground (0V)

181

MIPI1_D1_N

DSI1_D1_N

Camera / display D1 negative

182

HDMI0_TX0_P

HDMI0_D0_P

Output HDMI0 TX0 positive

183

MIPI1_D1_P

DSI1_D1_P

Camera / display D1 positive

184

HDMI0_TX0_N

HDMI0_D0_N

Output HDMI0 TX0 negative

185

GND

GND

Ground (0V)

186

GND

GND

Ground (0V)

187

MIPI1_C_N

DSI1_CLK_N

Camera / display clock negative

188

HDMI0_CLK_P

HDMI0_CLK_P

Output HDMI0 clock positive

189

MIPI1_C_P

DSI1_CLK_P

Camera / display clock positive

190

HDMI0_CLK_N

HDMI0_CLK_N

Output HDMI0 clock negative

191

GND

GND

Ground (0V)

192

GND

GND

Ground (0V)

193

MIPI1_D2_N

NC

Camera / display D2 negative

194

MIPI1_D3_N

NC

Camera / display D3 negative

195

MIPI1_D2_P

NC

Camera / display D2 positive

196

MIPI1_D3_P

NC

Camera / display D3 positive

197

GND

GND

Ground (0V)

198

GND

GND

Ground (0V)

199

HDMI0_SDA

HDMI0_SDA

Bidirectional HDMI0 SDA

200

HDMI0_SCL

HDMI0_SCL

Bidirectional HDMI0 SCL

LimePSB RPCM board has several headers and a DIP switch dedicated for Raspberry Pi CM4/5 configuration, debug, analog inputs or other purposes. SYS Header (J12) pins, schematic signal names and description are given in Table 3.

Table 3. SYS header (J12) pinout

Pin

Schematic signal name

Description [1], [2]

1

GND

Ground (0V)

2

RPI_nRPIBOOT

A low on this pin forces CM4/5 booting. To enable Raspberry Pi USB boot also place nRPIBOOT jumper on J12 pins 1-2.

Place jumper on header J26 to switch Raspberry Pi USB from USB hub to USB C connector.

3

GND

Ground (0V)

4

RPI_EEPROM_nWP

CM4/5 on-board EEPROM write protect

5

RPI_AIP0

Analogue input (CM4) / USB CC1 (CM5)

6

RPI_AIP1

Analogue input (CM4) / USB CC2 (CM5)

7

GND

Ground (0V)

8

RPI_SYNC_IN

IEEE1588 SYNC Input

9

RPI_SYNC_OUT

IEEE1588 SYNC Output

10

RPI_RUN_PG

RUN_PG pin when high signals that the CM4/5 has started. Driving this pin low resets the module.

11

RPI_PIN11

Video DAC output (CM4) / USB3 VBUS enable (CM5)

12

GND

Ground (0V)

13

RPI_RUN_PG_BUFF

Buffered (5V output) RPI_RUN_PG line. High signal indicates CM4 CPU is running. / Power button for CM5.

14

RPI_GLOBAL_EN

Drive low to power off CM4/5. A button between pins 13-14 can be used to wake up compute module from power down.

Description of power control header J5 (not fitted) for Raspberry Pi CM4/5 pinout is given in Table 4.

Table 4 Raspberry Pi CM4/5 power control (J5) header

Pin

Schematic signal name

Description [1], [2]

1

RPI_GLOBAL_EN

Drive low to power off CM4/5.

2

GND

Ground (0V)

3

RPI_RUN_PG

Drive low to reset CM4/5 CPU/high signal indicates CM4/5 CPU is running.

Raspberry Pi Compute Module 4/5 on board WiFi and Bluetooth disable signals may be controlled from header J6 (not fitted) as shown in Table 5.

Table 5. Raspberry Pi CM4/5 J6 WiFi and Bluetooth control header pinout

Pin

Schematic signal

name

Description [1], [2]

1

RPI_WL_nDISABLE

This pin serves a number of functions:

It can be used to monitor the enable/disable state of wireless networking. A logic high means the WIFI module is powered up.

When driven or tied low it prevents the wireless network module from powering up. This is useful to reduce power consumption

or in applications where it is required to physically ensure the wireless networking is disabled. If the interface is enabled

after being disabled, the wireless interface driver needs reinitialised.

2

GND

Ground (0V)

3

RPI_BT_nDISABLE

This pin serves a number of functions:

It can be used to monitor the enable/disable state of Bluetooth. A logic high means the Bluetooth module is powered up.

When driven, or tied low, it prevents the Bluetooth module from powering up. This is useful to reduce power consumption,

or in applications where it is required to physically ensure the Bluetooth is disabled. If the interface is enabled after

being disabled, the Bluetooth interface driver needs reinitialised.

DIP Switch configuration

Some configuration can be done by switching SW1 DIP switch bits. Detailed switch bit descriptions is given in Table 6.

Table 6. DIP switch configuration bits

Bit

Schematic signal name

Description

1

RPI_nRPIBOOT

RPi boot source:

OFF: RPI boots from eMMC/uSD (default).

ON: Booting from eMMC will be stopped and booting will be transferred to RPi boot which is via USB.

2

USB_C_RPI1

RPi USB 2.0 port mux control:

OFF: RPi USB is connected to USB hub (default).

ON: RPi USB is connected to USB C connector.

3

USB_PD_I

USB C PD current configuration:

OFF: I=2.5A (default).

ON: I=1.5A.

4

EN_CM5_USB3

Dual USB socket source:

OFF: connected to USB 2.0 hub (for CM4).

ON: connected to CM5 USB3.0 lines (for CM5).

FPGA configuration

LimePSB RPCM board houses Lattice Semiconductor ICE40 Ultra family FPGA ICE5LP4K. It can be copnfigured by RPI CM4/5 (RPI_SPI0) or by external source (JTAG). By default FPGA is set to SPI slave mode and PRi module is in master mode to configure it during boot up. Also FPGA can be set to SPI master mode (FPGA_CFG) while CM4/5 (RPI_SPI0) is disconnected. In this case FPGA configuration information is stored in flash IC19 (NF). Hardware configuration for both modes are shown table 7.

Table 7. FPGA configuration mode selection

Component id

Slave SPI

Master SPI

R113

populate

populate

R114

remove

populate

R115

populate

remove

R116

remove

populate

R118

populate

remove

R119

populate

populate

R120

populate

remove

R122

remove

populate

R124

remove

populate

IC19

remove

populate

C63

remove

populate

Mini PCIe x1 Socket

LimePSB RPCM board features mini PCIe x1 specification compatible socket. LimePSB RPCM board mPCIe socket is also compatible with some non-standard expansion boards like LimeSDR-XTRX, LoRaWAN and LoRa Core. More detailed information is listed in Table 8.

Table 8. LimePSB RPCM board Mini PCIe x1 connector pinout

Pin

Mini PCIe x1 specification

reference [3]

LimePSB-RPCM

schematic signal name

XTRX Reference [4]

LoRaWAN reference [5]

SX1302/03 Corecell schematic

signal name [6]

1

Wake#

RPI_PCIE_DET_nWAKE (NC)

NC

NC

NC

2

3.3 Vaux

VCC3P3

VCC3P3_MPCIE

VCC

VCC5V_IN

3

COEX1

PCIE_COEX1

1PPSI_GPIO1(1N)

NC

NC

4

GND

GND

GND

GND

GND

5

COEX2

PCIE_COEX2

1PPSO_GPIO2(1P)

PPS_IN

NC

6

GND

VCC1P5

NC

NC

GPIO(6) (NC)

7

CLKREQ#

RPI_PCIE_CLK_nREQ

CLK_REQUEST#

NC

NC

8

UIM PWR

UIM_PWR

UIM_VCC

NC

NC

9

GND

GND

GND

GND

GND

10

UIM_DATA

UIM_DATA

UIM_DIO

SWDIO

NC

11

REFCLK-

RPI_PCIE_CLK_N

PCIE_REF_CLK_N

NC

NC

12

UIM_CLK

UIM_CLK

UIM_CLK

SWCLK

NC

13

REFCLK+

RPI_PCIE_CLK_P

PCIE_REF_CLK_P

NC

NC

14

UIM_RESET

UIM_RESET

UIM_RST

NC

NC

15

GND

GND

GND

GND

GND

16

UIM_VPP

UIM_VPP

NC

BOOT0

POWER_EN(NC)

17

Reserved

PCIE_UIM8

TDD_GPIO3_N

NC

HOST_SCK (NC)

18

GND

GND

GND

GND

GND

19

Reserved

PCIE_UIMC4 (NC)

PCIE_CLK_IN

NC

HOST_MISO(NC)

20

W_DISABLE#

NC

TDD_GPIO3_P

nDISABLE

NC

21

GND

GND

GND

GND

GND

22

PERST#

RPI_PCIE_nRST

PCIE_PERST#

nRESET

SX1302_RESET_HOST (NC)

23

PERn0

RPI_PCIE_RX_N

PCIE_TX0_N

NC

HOST_MOSI(NC)

24

3.3Vaux

VCC3P3

NC

VCC

SX1261_BUSY (NC)

25

PERp0

RPI_PCIE_RX_P

PCIE_TX0_P

NC

HOST_CSN (NC)

26

GND

GND

GND

GND

GND

27

GND

GND

GND

GND

GND

28

1.5Volt

VCC1P5

NC

NC

SX1302_GPIO_8 (NC)

29

GND

GND

GND

GND

GND

30

SMB CLK

PCIE_SMB_CLK

LMK_CLKOUT4/GPIO8

NC

I2C_SCL (NC)

31

PETn0

PCIE_PET0_N

PCIE_RX0_N

NC

PPS

32

SMB Data

PCIE_SMB_DATA

LMK_CLKOUT4/GPIO8

NC

I2C_SDA (NC)

33

PETp0

PCIE_PET0_P

PCIE_RX0_P

NC

NC

34

GND

GND

GND

GND

GND

35

GND

GND

GND

GND

GND

36

USB_D-

PCIE_USB_N

USB_D_N

USB_D- / Tx

USB_DM

37

GND

GND

GND

GND

GND

38

USB_D+

PCIE_USB_P

USB_D_P

USB_D+ / Rx

USB_DP

39

3.3Vaux

VCC3P3

PCIE_TX1_N (NC)

VCC

VCC3V3_IN

40

GND

GND

GND

GND

GND

41

3.3Vaux

VCC3P3

PCIE_TX1_P (NC)

VCC

VCC3V3_IN

42

LED_WWAN#

PCIE_LED_WWAN

LED_WWAN#_GPIO5

nTX

NC

43

GND

GND

GND

GND

GND

44

LED_WLAN#

PCIE_LED_WLAN

LED_WLAN#_GPIO6

nRX

SX1261_NSS (NC)

45

Reserved

NC

GND

NC

JTCK-SWCLK (NC)

46

LED_WPAN#

PCIE_LED_WPAN

LED_WPAN#_GPIO7

NC

SX1261_DIO1 (NC)

47

Reserved

NC

PCIE_RX1_N (NC)

NC

JTMS-SWDIO (NC)

48

1.5Volt

VCC1P5

NC

NC

SX1261_NRESET(NC)

49

Reserved

NC

PCIE_RX1_P (NC)

NC

MCU_NRESET (NC)

50

GND

GND

GND

GND

GND

51

Reserved

NC

PCIE_W_DISABLE2# (NC)

NC

MCU_BOOT0 (NC)

52

3.3Vaux

VCC3P3

VCC3P3_MPCIE

VCC

VCC3V3_IN

RF Front End

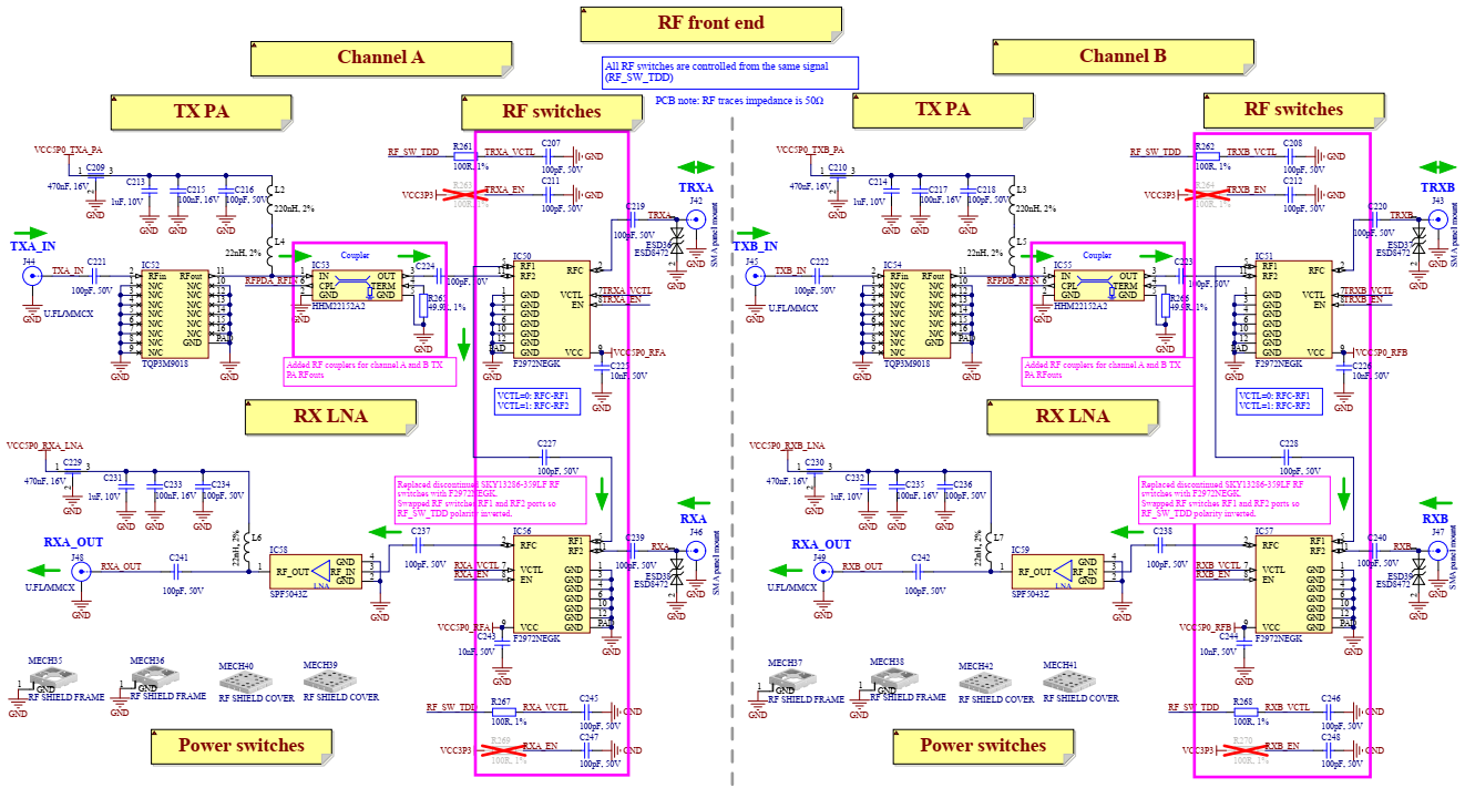
LimePSB RPCM RF path features power amplifiers, low noise amplifiers, SPDT switches, Couplers and power detectors as shown in Figure 6.

../_images/LimePSB-RPCM_v1.4_diagrams_r3_RFFE.png

Figure 6 LimePSB RPCM v1.4 RFFE diagram

A single control signal (RF_SW_TDD) is used to control all RF switches simultaneously for both A and B channels to change between TDD and FDD modes as shown in Table 9.

Table 9. RF path truth table

Control signal (RF_SW_TDD)

TRXA/B connected to

RXA/B connected to

High

TXA/B_IN

RXA/B_OUT

Low

RXA/B_OUT

NC

By default RF switches may be controlled from FPGA pin 13 (via resistor R43). Optional control source may be RFFE TDD control header (J18).

RF path contains two types of connectors: board edge SMA connectors (J42, J43, J46, J47) used for external connections (antennas or cables) and U.FL connectors (J44, J45, J48, 49) used for internal connections (for example to connect to XTRX mini PCIe expansion board).

Signal frequency range of TX and RX paths are listed in Table 10.

Table 10. RF path signal frequency range

Direction

Frequency range

TX

100 MHz - 4 GHz

RX

100 MHz - 4 GHz

More detailed RF path component parameters are given in Table 11.

Table 11. RF path components parameters

Component

Function

Gain, dB

Output P1dB, dBm

NF, dB

TQP3M9018

TX amplifier

24.6dB (900 MHz)

22.3dBm (900 MHz)

0.9dB (900 MHz)

22dB (1900 MHz)

22dBm (1950 MHz)

1.3dB (1950 MHz)

18.3dB (4000 MHz)

14.7dBm (4000 MHz)

2.4dB (4000 MHz)

SPF5043Z

RX amplifier

18.2dB (900 MHz)

22.6dBm (900 MHz)

0.8dB (900 MHz)

12.9dB (1960 MHz)

22.7dBm (1900 MHz)

0.8dB (1900 MHz)

7.0dB (3800 MHz)

22.8dBm (3800 MHz)

1.5dB (3800 MHz)

F2972NEGK

RF switch

-0.53dB (1000 MHz)

38dBm (1800 MHz)

-0.4dB (2000 MHz)

-0.55B (6000 MHz)

Both channels TX PAs TQP3M9018 outputs are coupled by HHM22152A2 (IC53, IC55) to RF power detectors LTC5587 (IC72, IC73). Power detector is connected to RPi CM4/5 SPI (RPI_SPI0). To enable it drive GPPIO expanders EXP1 GPB3 pin high. Information about LTC5587 is available in datasheet. URL: https://www.analog.com/en/products/ltc5587.html

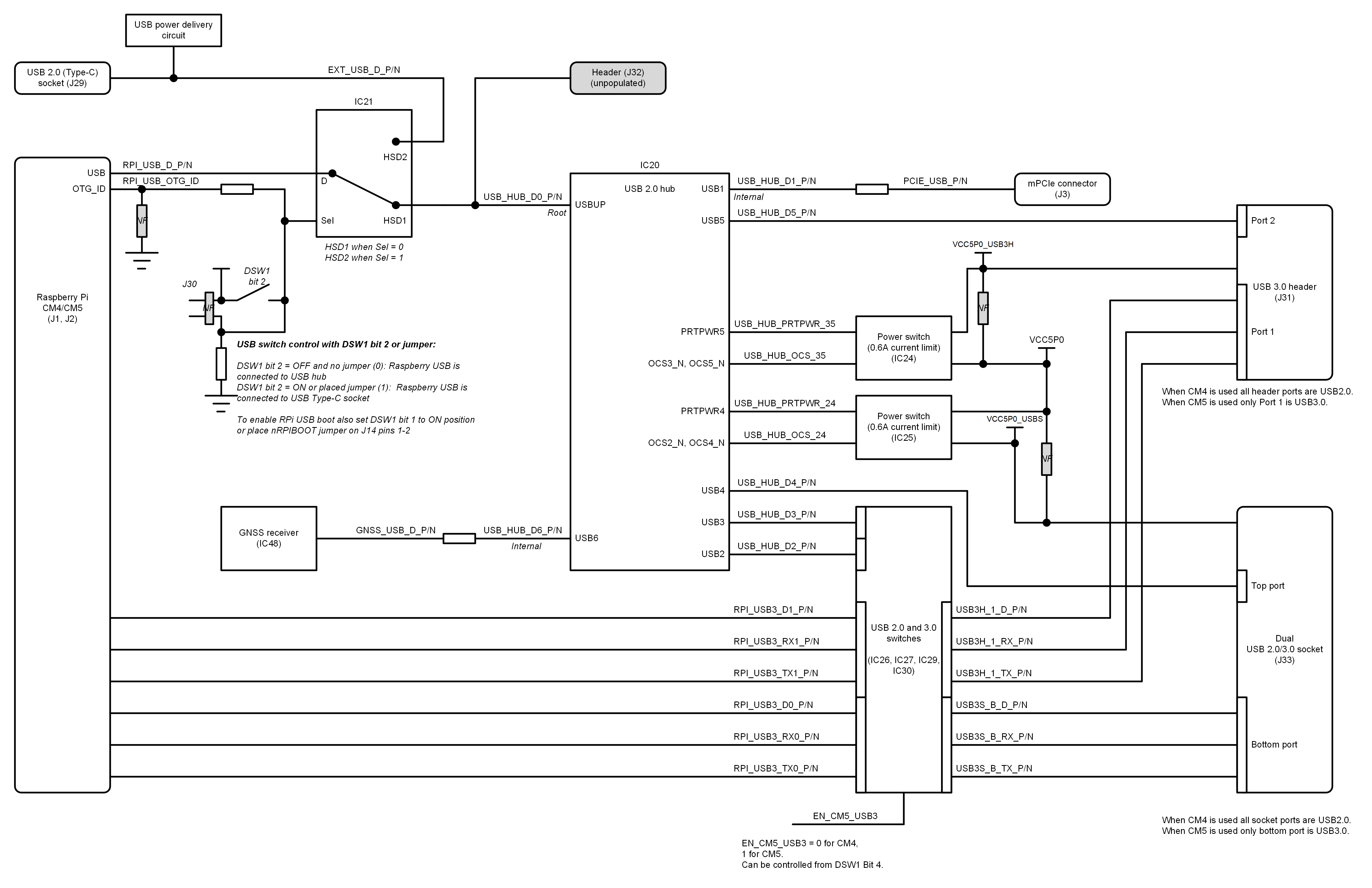
USB Subsystem

LimePSB RPCM contains USB2.0 hub, over current protection, type-C, double type-A sockets and headers. The USB subsystem diagram is as shown in Figure 7.

../_images/LimePSB-RPCM_v1.4_diagrams_r3_USB.png

Figure 7 LimePSB RPCM v1.4 USB subsystem diagram

Main LimePSB RPCM board USB subsystem components:

  • USB type-C socket (J29) is primarily used as one of power supply sources (for more information check section 2.15 Power Distribution). Also it is used to boot CM4/5. To enable RPi USB boot change configuration dip switch (DSW1) bits 1 and 2 to on positions.

  • USB type-A dual socket (J33) may be used to connect USB peripherals to the Raspberry Pi CM4/5. Top socket is USB 3.0 if CM5 is used.

  • USB type-A dual socket (J33) and header (J31) have over current protection. Current limit is set to 600 mA. Both sockets share same protection circuitry so if one of them tries to draw more current both sockets will be disabled. Header has it is own separate over current protection.

  • USB2.0 hub USB2517 (IC20) USB 2.0 hub expands Raspberry Pi CM4/5 USB port to dual USB socket (J33), header (J31) and mPCIe (J3). For more information check Table 12.

Table 12. USB2.0 (IC20) Hub signals

Pin

Pin name

Function [7]

Schematic signal name

Comment

59/58

USBUP_DP/ USBUP_DM

Root port

USB_HUB_D0_P/ USB_HUB_D0_N

Connected to CM4/5 USB via USB switch

2/1

USBDN1_DP/ USBDN1_DM

Downstream port

USB_HUB_D1_P/ USB_HUB_D1_N

J3 (mPCIe)

4/3

USBDN2_DP/ USBDN2_DM

Downstream port

USB_HUB_D2_P/ USB_HUB_D2_N

J33 (USB type-A top socket)

7/6

USBDN3_DP/ USBDN3_DM

Downstream port

USB_HUB_D3_P/ USB_HUB_D3_N

J31 (USB header pins 3/5)

9/8

USBDN4_DP/ USBDN4_DM

Downstream port

USB_HUB_D4_P/ USB_HUB_D4_N

J33 (USB type-A bottom socket)

12/11

USBDN5_DP/ USBDN5_DM

Downstream port

USB_HUB_D5_P/ USB_HUB_D5_N

J31 (USB header pinspins 2/4)

54/53

USBDN6_DP/ USBDN6_DM

Downstream port

USB_HUB_D6_P/ USB_HUB_D5_N

IC48 (GNSS)

56/55

USBDN7_DP/ USBDN7_DM

Downstream port

NC

NC

User Interface Components

LimePSB RPCM board features button, buzzer, 6 dual colour (red and green (RG)) LEDs, 1 green indication LED, and 2 Ethernet activity LEDs (yellow and green). All board user interface components are highlighted in Figure 8.

../_images/LimePSB-RPCM_v1.4_user_interface_components.png

Figure 8. LimePSB RPCM v1.4 user interface components

Dual color LEDs (LED1-LED4) are connected to I/O expander (IC12). Their function may be programmed according to the user requirements. Dual color LED5 indicates Raspberry Pi status, LED7 indicates FPGA configuration status. Green LED6 indicates board power. These LEDs are mounted on the front side of the board.

Ethernet connector J9 has two LEDs: yellow and green. LEDs indicate wired network activity and speed.

Default LEDs function and related information is listed in Table 13.

Table 13. Default LEDs functions

Board Reference

Schematic name

I/O expander

(IC13) pin

Description

LED1

RPI_LED1_R

GPA0

User defined.

RPI_LED1_G

GPA1

LED2

RPI_LED2_R

GPA2

User defined.

RPI_LED2_G

GPA3

LED3

RPI_LED3_R

GPA4

User defined.

RPI_LED3_G

GPA5

LED4

RPI_LED4_R

GPA6

User defined.

RPI_LED4_G

GPA7

LED5

RPI_STATUS_LED_R

Green is connected to CM4/5 PI_LED_nPWR (Power On)

and red is connected to Pi_nLED_Activity (Activity)

RPI_STATUS_LED_G

LED6

VCC3P3

Board power. Connected to 3.3 V power rail.

LED7

FPGA_LED_R

User defined

Indictes FPGA configuration status

FPGA_CDONE

Ethernet connector J9

LEDs

ETH_LED_Y

Green is connected to Ethernet_nLED2 (Ethernet speed indicator: 1Gbit or 100Mbit Link)

and yellow is connected to Ethernet_nLED3 (Ethernet activity indicator).

ETH_LED_G

A user button (BTN1) and buzzer (BZ1) are mounted on the front side of the board and can be used for various purposes. The button is connected to Raspberry Pi CM4/5 GPIO24 (default)/CM5 RUN_PG, has external pull up resistors and is hardware debounced. Buzzer control circuit is connected to GPIO5.

SPI, I2C, UART Interfaces

LimePSB-RPCM features multiple low speed interfaces like SPI, I2C, UART. LimePSB-RPCM low speed interfaces signal names, I/O standards are listed in table 14.

Table 14. CM4/5 low speed interfaces pins

Interface

Schematic signal name

CM4/5 pin

I/O standard

Comment

SPI0

RPI_SPI0_SCLK

38 (GPIO11)

3.3V

Serial Clock (CM4/5 output)

RPI_SPI0_MOSI

44 (GPIO10)

3.3V

Data (CM4/5 output)

RPI_SPI0_MISO

40 (GPIO9)

3.3V

Data (CM4/5 input)

RPI_SPI0_SS0

39 (GPIO8)

3.3V

IC18 FPGA config SPI slave select (CM4/5 output)

RPI_SPI0_SS1

37 (GPIO7)

3.3V

IC37 phase detector SPI slave select (CM4/5 output)

RFPDA_CONV

41 (GPIO25)

3.3V

IC72 RF power detector SPI slave select (CM4/5 output)

RFPDB_CONV

24 (GPIO26)

3.3V

IC73 RF power detector SPI slave select (CM4/5 output)

SPI1

RPI_SPI1_SCLK

25 (GPIO21)

3.3V

Serial Clock (CM4/5 output)

RPI_SPI1_MOSI

27 (GPIO20)

3.3V

Data (CM4/5 output)

RPI_SPI1_MISO

26 (GPIO19)

3.3V

Data (CM4/5 input)

RPI_SPI1_SS0

49 (GPIO18)

3.3V

IC6 ADC SPI slave select (CM4/5 output)

RPI_SPI1_SS1

50 (GPIO17)

3.3V

IC18 FPGA SPI slave select (CM4/5 output)

RPI_SPI1_SS2

29 (GPIO16)

3.3V

IC18 FPGA SPI slave select (CM4/5 output)

I2C0

RPI_I2C0_SCL

80

3.3V

Serial Clock (CM4/5 output)

RPI_I2C0_SDA

82

3.3V

Data (CM4/5 input/output)

UART0

RPI_UART0_RX

51 (GPIO15)

3.3V

Data (CM4/5 input)

RPI_UART0_TX

55 (GPIO14)

3.3V

Data (CM4/5 output)

FPGA low speed interfaces signal names, I/O standards are listed in table 15.

Table 15. FPGA low speed interfaces pins

Interface

Schematic signal name

FPGA pin

I/O standard

Comment

CFG

FPGA_CFG_SCK

15 (IOB_34A)

3.3V

Serial Clock (FPGA output)

FPGA_CFG_SO

14 (IOB_32A)

3.3V

FPGA configuration flash Data (FPGA input)

FPGA_CFG_SI

17 (IOB_33B)

3.3V

FPGA configuration flash Data (FPGA output)

FPGA_CFG_CSN

16 (IOB_35B)

3.3V

FPGA SPI slave select (FPGA input)

SPI0

FPGA_SPI0_SCLK

43 (IOT_49A)

3.3V

Serial Clock (FPGA output)

FPGA_SPI0_MOSI

38 (IOT_50B)

3.3V

Data (FPGA output)

FPGA_SPI0_DAC_SS

42 (IOT_51A)

3.3V

IC36/IC38 DAC SPI slave select (FPGA output)

I2C0

FPGA_I2C0_SCL

47 (IOB_2A)

3.3V

Serial Clock (FPGA output)

FPGA_I2C0_SDA

48 (IOB_4A)

3.3V

Data (FPGA input/output)

UART

GNSS_UART_RX

51 (GPIO15)

3.3V

Data (FPGA input)

GNSS_UART_TX

55 (GPIO14)

3.3V

Data (FPGA output)

RPI_I2C0 (FPGA_I2C0) interface devices, addresses and other info are shown in table 16.

Table 16. RPI_I2C0 interface devices

RPI_I2C0 slave device

Slave device

I2C address

I/O standard

Comment

IC7

Temperature sensor

1 0 0 1 0 0 0 R/W

3.3V

LM75

IC8(default)/IC9

EEPROM

1 0 1 0 0 0 0 R/W

3.3V

CAT24C128WI-GT3/M24128

IC10/IC11

Secure key storage

1 1 0 0 0 0 0 R/W

3.3V

ATECC508A

IC14/IC16

RTC

1 0 1 0 0 0 1 R/W

3.3V

PCF85063AT

IC13

FAN controller

0 1 0 1 1 1 1 R/W

3.3V

EMC2301

IC76

USB PD controller

0 0 0 1 0 0 0 R/W

3.3V

CYPD3177-24LQXQT

IC12

I/O expander

0 1 0 0 0 0 0 R/W

3.3V

MCP23017-E/ML

IC15

I/O expander

0 1 0 0 0 0 1 R/W

3.3V

MCP23017-E/ML

IC20

USB2.0 hub

0 1 0 1 1 0 0 R/W

3.3V

USB2517 (disabled)

Front Display Connector

LimePSB RPCM board has 5-pin 0.1” pitch header J8 with friction lock (Molex 0022112052 [8]) dedicated for front screen connection. Front display connector J8 contains signals for I2C interface, button and power rail. More detailed information about the front display connector is provided in table 17.

Table 17. Front screen connector (J8) pinout

J8 pin

Schematic signal name

Description

1

GND

Ground (0V)

2

VCC3P3/VCC5P0

Power 3.3V (default) or 5V

3

RPI_ID_SD

I2C data

4

RPI_ID_SC

I2C clock

5

RPI_BTN2

User button 2 (debounced)

MIPI DSI Display and CSI Camera Connectors

LimePSB-RPCM has two 15-pin FPC connectors for MIPI DSI display and MIPI CSI camera. MIPI DSI interface is used for connecting serial display. Detailed display 1 connector J15 pinout is as shown in table 18.

Table 18. MIPI DSI display 1 connector (J15) pinout

Pin

Schematic signal name

Description [1], [2]

1

GND

Ground (0V)

2

DSI1_D1_N

Output Display1 D1 negative

3

DSI1_D1_P

Output Display1 D1 positive

4

GND

Ground (0V)

5

DSI1_CLK_N

Output Display1 clock negative

6

DSI1_CLK_P

Output Display1 clock positive

7

GND

Ground (0V)

8

DSI1_D0_N

Output Display1 D2 negative

9

DSI1_D0_P

Output Display1 D2 positive

10

GND

Ground (0V)

11

RPI_I2C0_SCL

I2C clock

12

RPI_I2C0_SDA

I2C data

13

GND

Ground (0V)

14

VCC3P3

3.3V power rail

15

VCC3P3

3.3V power rail

MIPI CSI interface is used for serial camera. Detail camera 1 connector J16 pinout is as shown in table 19.

Table 19. MIPI CSI camera 1 connector (J16) pinout

Pin

Schematic signal name

Description [1], [2]

1

GND

Ground (0V)

2

CAM1_D0_N

Input Camera1 D0 negative

3

CAM1_D0_P

Input Camera1 D0 positive

4

GND

Ground (0V)

5

CAM1_D1_N

Input Camera1 D1 negative

6

CAM1_D1_P

Input Camera1 D1 positive

7

GND

Ground (0V)

8

CAM1_CLK_N

Input Camera1 clock negative

9

CAM1_CLK_P

Input Camera1 clock positive

10

GND

Ground (0V)

11

CAM1_GPIO0

Typically used to shut down the camera

12

CAM1_GPIO1

NC

13

RPI_I2C0_SCL

I2C clock

14

RPI_I2C0_SDA

I2C data

15

VCC3P3

3.3V power rail

HMDI, Ethernet Connectors and uSD Socket

LimePSB-RPCM board features 2 Micro (type D) HDMI 2.0 sockets (J34 and J35). Data signals are directly connected between Raspberry Pi CM4/5 TMDS interfaces and HDMI connectors. 5V power for HDMI connectors is supplied via a current-limited (600 mA) switch (IC28).

LimePSB-RPCM board also features Gigabit Ethernet and power over Ethernet (PoE) capable RJ45 connector (J9).

For Raspberry Pi CM4/5L module (Raspberry Pi CM4/5 without eMMC Flash memory) micro SD card push-push socket (J7) must be used along with the appropriate uSD card.

GPIO Connector

Some Raspberry Pi Compute Module 4/5 and FPGA GPIOs are connected to 20 pin 0.1” J10 header. Several pins of this connector are dedicated for power (1 pin for 3.3 V and 2 pins for 5V). GPIO header pins (J10) and additional information is given in table 20.

Table 20. Raspberry Pi CM4/5 GPIO header (J10) pins

Connector pin

Schematic signal name

CM4/5 pin

I/O standard

Comment

1

VCC3P3

3.3V

3.3V power rail

2

VCC5P0

5.0V

5.0V power rail

3

RPI_GPIO22

GPIO22

3.3V

General purpose

4

VCC5P0

5.0V

5.0V power rail

5

RPI_GPIO27

GPIO27

3.3V

General purpose

6

RPI_GPIO3

GPIO3

3.3V

General purpose

7

RPI_GPIO6

GPIO6

3.3V

General purpose

8

RPI_UART0_TX

GPIO14

3.3V

General purpose configured as UART output

9

RPI_SPI0_MOSI

GPIO10

3.3V

General purpose configured as SPI output

10

RPI_UART0_RX

GPIO15

3.3V

General purpose configured as UART input

11

RPI_SPI0_MISO

GPIO9

3.3V

General purpose configured as SPI input

12

FPGA_GPIO0

FPGA 45 pin (IOB_5B)

13

RPI_SPI0_SCLK

GPIO11

3.3V

General purpose configured as SPI clock

14

FPGA_GPIO1

FPGA 21 pin (IOB_23B)

15

RPI_GPIO2

GPIO2

3.3V

General purpose

16

RPI_GPIO4

GPIO4

3.3V

General purpose

17

RPI_ID_SD

ID_SD

3.3V

I2C interface SDfor HATs (ID EEPROM)

18

RPI_ID_SC

ID_SC

3.3V

I2C interface SC for HATs (ID EEPROM)

19

GND

Ground (0V)

20

GND

Ground (0V)

Board Temperature Control

LimePSB-RPCM board has two dedicated 0.1” pitch headers J26 and J27 for fans. Header J26 is standard 4-pin fan header while J27 is 2-pin header. Fan control voltage is VCC_IN (12V) by default, but it may be changed to 3.3V or 5V by resistors. Fan power may be controlled from I/O expander (EXP0) output GPB7 (FAN_CTRL), directly from temperature sensor IC7 pin 3 (LM75_OS) or by FAN controller (IC13) (default).

4 pin FAN connector (J26) is compatible with 3 pin fans. PWM signal from FAN controller (IC13) can be used to control fan speed by switching MOSFET (VT2) if R92 is fitted (default). If 4 pin fan is used remove R92 and fit R83 to route PWM signal to the connectors 4th pin.

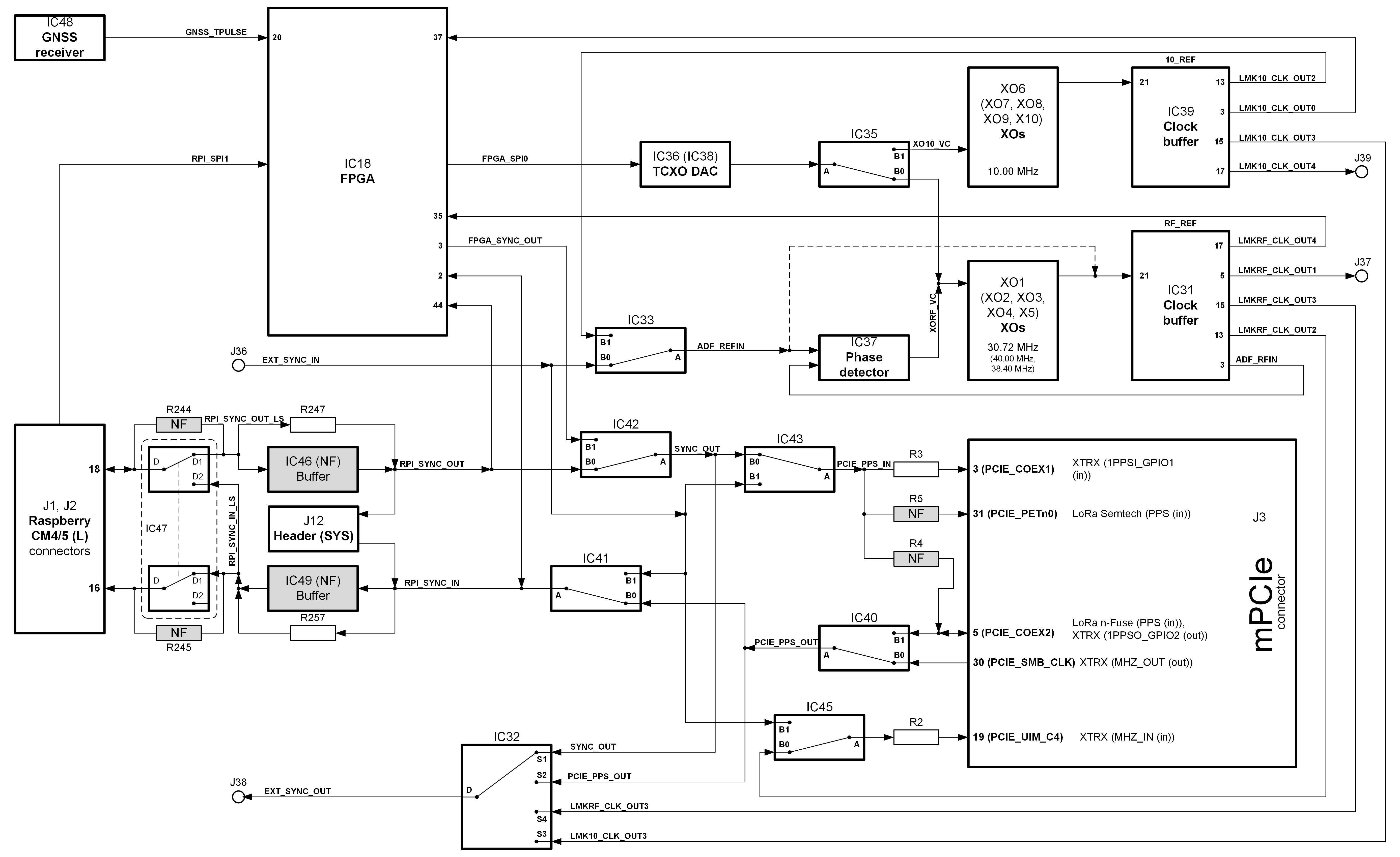
Clock Distribution Network

LimePSB-RPCM board clock network comprises of on-board voltage controlled crystal oscillators, phase detector, clock buffers, GNSS receiver, clock source selection analog muxes, reference clock input and output connectors. Board clock distribution block diagram is as shown in figure 9.

../_images/LimePSB-RPCM_v1.4_diagrams_r3_clock.png

Figure 9. LimePSB RPCM v1.4 board clock distribution block diagram

LimePSB-RPCM board distributes reference clock to and from Raspberry Pi Compute Module 4/5, mini PCIe connector and external sources. Clock and PPS signals can be sourced from on board XOs and GNSS transceiver or another external source via J36 (EXT_SYNC_IN) connector. Also J38 (EXT_SYNC_OUT) connector can be used as clock signal output thus synchronizing multiple systems. Clock path may be configured using analog muxes that are controlled by CM4/5 module as described in table 21.

Table 21. LimePSB-RPCM clock signals configuration

Schematic ID

Input signal

Output signal

CM4/5 pin

Description

IC33

EXT_SYNC_IN

ADF_REFIN

EXP1 GPA3

Phase detector (IC34) input selection

LMK10_CLK_OUT2

IC43

SYNC_OUT

PCIE_PPS_IN

EXP1 GPA7

PPS signal source selection for mPCIe expansion boards

EXT_SYNC_IN

IC41

EXT_SYNC_IN

RPI_SYNC_IN

EXP1 GPA4

CM4/5 SYNC_IN synchronization input source selection

PCIE_PPS_OUT

IC45

EXT_SYNC_IN

PCIE_UIMC4

EXP1 GPA5

Reference clock selection for mPCIE exanpsion board (XTRX)

LMKRF_CLK_OUT2

IC32

SYNC_OUT

EXT_SYNC_OUT

EXP1 GPA0

EXP1 GPA1

EXP1 GPA2

Synchronization output signal selection

PCIE_PPS_OUT

LMKRF_CLK_OUT3

LMK10_CLK_OUT3

IC42

RPI_SYNC_OUT

SYNC_OUT

EXP0 GPB5

PPS signal source selection

FPGA_SYNC_OUT

IC40

PCIE_COEX2

PCIE_PPS_OUT

EXP1 GPA6

PPS signal input from mPCIE expansion board (XTRX)

Clock signal input from mPCIE expansion board (XTRX)

PCIE_SMB_CLK

R3

PCIE_PPS_IN

PCIE_COEX1

PPS signal output for mPCIE expansion board (XTRX)

R5

PCIE_PPS_IN

PCIE_PETn0

PPS signal output for mPCIE expansion board (LoRa Semtech)

R4

PCIE_PPS_IN

PCIE_COEX2

PPS signal output for mPCIE expansion board (LoRa n-Fuse)/PPS output for (XTRX)

LimePSB-RPCM board has several on-board crystal oscillator (XO) options that may be used as source for clock buffers (LMK00101). By default voltage controlled oven compensated crystal oscillators (VCOCXO) XO1 and XO6 are populated. Optional voltage controlled temperature compensated crystal oscillators XO2 – XO5 and XO7 – XO10 (VCTCXO) are not populated by default. All these XOs may be tuned by DAC (16-bit IC36 default or 8-bit IC38) or phase detector (IC37). Clock network components are listed in table 22.

Table 22. LimePSB-RPCM clock distribution network components

Designator

Function

Part number

Parameters

Description

XO1

VCOCXO

U7475LF 30.72MHz

30.72 MHz

XO6

VCOCXO

U8073LF 10.0MHz

10 HMz

XO2, XO7

E6245LF 30.72 MHz

30.72 MHz

Not mounted

XO3, XO8

E5280LF 30.72MHz

30.72 MHz

Not mounted

XO4,XO9

VCTCXO

RTX5032A, 40.00MHz

40 MHz

Not mounted

XO5, XO10

ASVTX-12-A-38.400MHZ-H10-T

38.4 MHz

Not mounted

IC36

DAC

AD5662

16 Bit

IC38

AD5601BKSZ-REEL7

8 Bit

Not mounted

IC31, IC39

Clock buffer

LMK00105SQ/NOPB

IC37

Phase detector

ADF4002BCPZ-RL7

IC48

GNSS receiver

NEO-M8Q

RPI_SYNC mux (IC47) is needed for CM4 and CM5 compatibility purposes.

Power Distribution

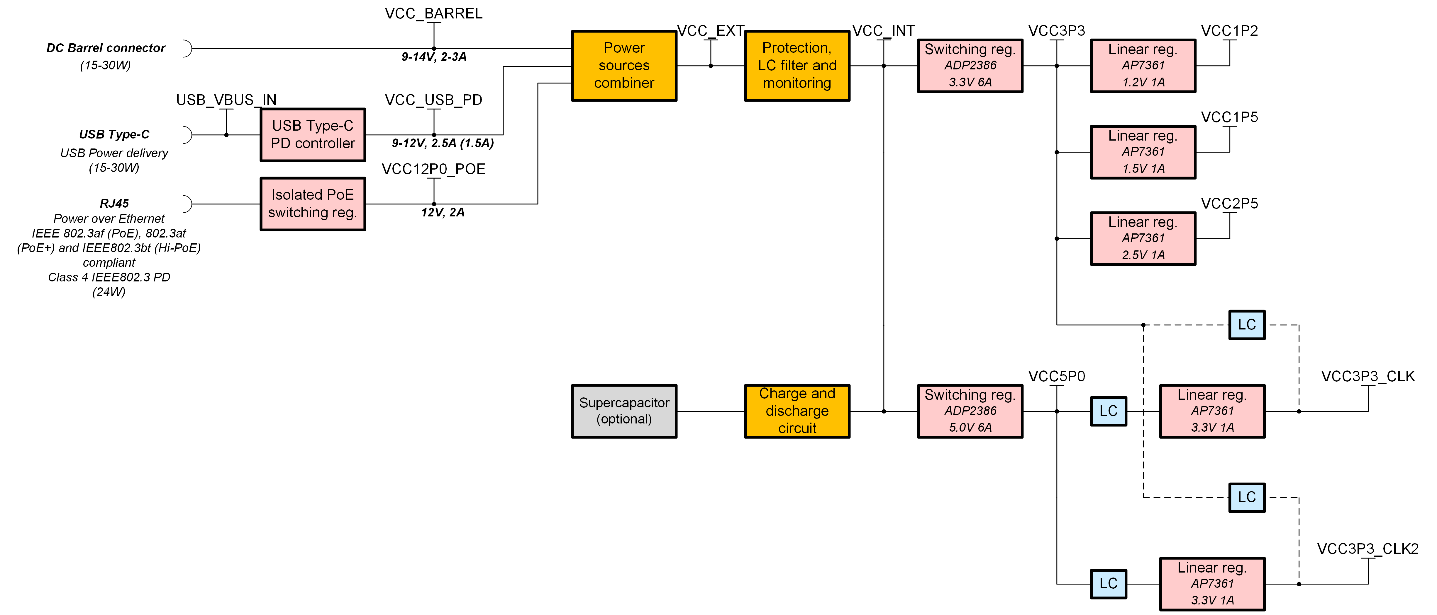
LimePSB RPCM board power delivery network consists of different power rails with different regulators, voltages and filters. LimePSB RPCM board power distribution block diagram is presented in Figure 10.

../_images/LimePSB-RPCM_v1.4_diagrams_r3_power.png

Figure 10 LimePSB RPCM v1.4 board power distribution block diagram

LimePSB RPCM board may be supplied from USB Type-C port (USB Power delivery), Ethernet RJ45 port (PoE) or barrel DC connector (9-14V):

  • USB Type-C socket (9-12V 2.5 A or 1.5 A) may be used to supply LimePSB RPCM board. In this case make sure that USB Power Delivery 18W or more power adapter is used. Depending on application board requested current from source may be lowered from 2.5A to 1.5A by changing configuration dip switch (DSW1) bit 3 to ON position.

  • RJ45 socket is an alternative way to supply the LimePSB RPCM board. Make sure PoE+ (802.3at) class 4 compliant power source is used.

  • Barrel connector (9-14V 2A) also may be used to power LimePSB RPCM board.

To keep on board RTC running and enable GNSS hardware backup mode when board power is disconnected lithium coin cell 3V CR1220 battery must be inserted into BATT1 battery holder.

References

  1. Raspberry Pi, Compute Module 4 datasheet. URL: https://datasheets.raspberrypi.com/cm4/cm4-datasheet.pdf

  2. Raspberry Pi, Compute Module 5 datasheet. URL: https://datasheets.raspberrypi.com/cm5/cm5-datasheet.pdf

  3. PCI Express Mini Card Electromechanical Specification Revision 1.2. URL: https://pcisig.com/specifications/

  4. Lime Microsystems, LimeSDR-XTRX. URL: https://github.com/myriadrf/LimeSDR-XTRX

  5. n-fuse, Concentrator Card LRWCCx-MPCIE for LoRaWAN technology. URL: https://www.n-fuse.co/devices/LoRaWAN-Concentrator-Card-mini-PCIe.html

  6. Semtech, SX1303CTSXXXGW1, LoRa Corecell Gateway Reference Design for Fine Timestamp Based on SX1303 for LoRa Core. URL: https://www.semtech.com/products/wireless-rf/lora-core/sx1303ctsxxxgw1

  7. Texas Instruments, TUSB2036 2- or 3-Port Hub for the Universal Serial Bus With Optional Serial EEPROM Interface. URL: https://www.ti.com/lit/ds/symlink/tusb2036.pdf

  8. Molex, 0022112052, KK 254 Solid Header, Vertical, with Friction Lock, 5 Circuits, Gold (Au) Plating, Bag. URL: https://www.molex.com/molex/products/part-detail/pcb_headers/0022112052

Differencies from LimePSB RPCM v1.3

Changes introduction

LimeSDR-PSB RPCM v1.4 implementation is based on LimeSDR-KEY RPCM v1.3 board with the schematic and PCB Layout changes described in this document. The major changes are:

  • Replaced discontinued SKY13286-359LF RF switches with F2972NEGK. Swapped RF switches RF1 and RF2 ports so RF_SW_TDD polarity inverted.

  • Added RF couplers and power detectors on both TX channels

  • Changed discrete PoE solution (NCP1083) to PoE module (AG5712-LPB)

  • Changed from Type A HDMI sockets to Type D(Micro) HDMI sockets

  • Replaced clock configuration path jumpers with switches

  • Altium variant function used in the project

Board size and main components positions remained the same as in LimePPSB RPCM v1.3. New LimePSB RPCM v1.4 block diagram is shown in Figure 11.

../_images/LimePSB-RPCM_v1.4_diagrams_r3_block.png

Figure 11 LimePSB RPCM v1.4 block diagram

Minor Changes

Minor Changes

  • Updated diagrams

  • Cosmetic changes (notes etc.)

Raspberry Pi Connector Changes

Raspberry Pi CM4/5 connector signal changes are:

  • PCIe LEDs (PCIE_LED_WWAN, PCIE_LED_WLAN, PCIE_LED_WPAN) were moved from RPI connector to I2C GPIO expander number 2 (EXP2).

  • Newly added RF power detectors (RFPD) were connected to RPI I2C. Their enable signals RFPD1_CONV and RFPD2_CONV were connected to RPI GPIO25 and RPI GPIO26 respectively.

  • RPI_GPIO3 and RPI_GPIO6 connected to GPIO header (J10).

  • ADF_MUXOUT moved from RPI_GPIO3 to EXP2 GPB4.

New Raspberry Pi CM4/5 connector changes are shown in Figure 12.

../_images/LimePSB-RPCM_v1.4_RPI_changes.png

Figure 12 Raspberry Pi CM4/5 connector changes

mPCIe Connector Changes

Added 0R resistor in series to PCIE_UIM4 for mPCIe modules compatibility porpuses. mPCIe connector changes are shown in Figure 13.

v1.4/images/LimePSB-RPCM_v1.4_mPCIe_changes.png

Figure 13 mPCIe connector changes

Replaced PCIE_PPS_OUT selection resistors R3 and R8 with analog mux as shown in Figure 14.

../_images/LimePSB-RPCM_v1.4_COEX_changes.png

Figure 14 mPCIe PCIE_PPS_OUT changes

Miscellaneous changes

Raspberry button was changed to a part with a longer cap (from 3.86 mm to 6.85 mm). Also added option to change button function to RPI CM5 power on/off as shown in Figure 15.

../_images/LimePSB-RPCM_v1.4_BUTTON_changes.png

Figure 15 RPI button changes

Changed GPIO header (J10) GND pins 7 and 6 to RPI_GPIO6 and RPI_GPIO3 as shown in Figure 16.

../_images/LimePSB-RPCM_v1.4_GPIO_changes.png

Figure 16 GPIO header (J10) changes

Added test points for Raspberry Pi I2C0 signals (RPI_I2C0_SCL and RPI_I2C0_SDA) as hsown in Figure 17.

../_images/LimePSB-RPCM_v1.4_I2C_changes.png

Figure 17 I2C signal changes

Added new additional I2C IO expander (EXP2). All signals connected to EXP2 are shown in Figure 18.

../_images/LimePSB-RPCM_v1.4_EXP_changes.png

Figure 18 New GPIO expander (EXP2)

New GPIO expander was mainly added to control all new muxes added to clock circuitry. But also some already existing signals were added to it:

  • FPGA configuration signals (FPGA_CRESET and FPGA_CDONE). FPGA_CRESET signal moved from EXP1 to EXP2. Also added posibility to monitor FPGA_CDONE by adding it to EXP2.

  • PCIE_LED_WLAN, PCIE_LED_WPAN and PCIE_LED_WWAN were disconnected from RPI connector and connected to EXP2.

  • ADF_MUXOUT was moved from RPI GPIO3 to EXP2 GPB4.

Added Internal U.FL to external SMA connector (EXT2) and renamed old internal U.FL to external SMA connectors to EXT1. New EXT2 SMA connector can be directly connected to on board GNSS module (IC48) RF_IN pin (default) as shown in Figure 19.

../_images/LimePSB-RPCM_v1.4_EXT_changes.png

Figure 19 Internal to external connectors changes

FPGA changes

Added FPGA_CDONE signal to EXP2 for monitoring purposes. Also 0R was added as a option to disconnect FPGA LED from FPGA_CDONE signal when monitoring by RPI is required. In this case FPGA LED can still indicate CDONE by EXP2 GPB2 pin (FPGA_CDONE_LED). FPGA LED changes are shown in Figure 20.

../_images/LimePSB-RPCM_v1.4_CDONE_changes.png

Figure 20 FPGA CDONE changes

Removed FPGA configuration flash from default BOM as shown in Figure 21.

../_images/LimePSB-RPCM_v1.4_FLASH_changes.png

Figure 21 FPGA flash changes

Increased HW_VER from 0 to 1. And added test point for FPGA I2C0 signals (FPGA_I2C0_SCL, FPGA_I2C0_SDA) as shown in Figure 22.

../_images/LimePSB-RPCM_v1.4_HW_changes.png

Figure 22 HW_VER and FPGA I2C0 changes

USB changes

Changed USB header (J31) to Amphenol ICC G823J201240BHR. New header is fully compatible with standard USB header connectors.

HDMI changes

Changed Type A HDMI soctes (J34, J35) to Type D (Micro) HDMI.

Clock changes

Renamed XO_VC signal name to XORF_VC.

Added testpoint for XO DACs outputs as shown in Figure 23.

../_images/LimePSB-RPCM_v1.4_DACTP_changes.png

Figure 23 XO DAC test point

Renamed phase detectors signals names REF_ADF to ADF_RFIN and also REF_CLK_IN to ADF_REFIN to better reflect signals purpose as shown in Figure 24.

../_images/LimePSB-RPCM_v1.4_DACTP_changes.png

Figure 24 Phase detector schematics

Added 0R NF on GNSS_RF_IN net in series with U.FL connector and changed J44 to NF. By default GNSS_RF_IN is connected to INT_TO_EXT2 (SMA) as shown in Figure 25.

../_images/LimePSB-RPCM_v1.4_GNSS_changes.png

Figure 25 GNSS antenna connection schematics

Added pull down resistor for RPI_PIN18 (2.2k) and RPI_PIN16 (2.2k NF). This change fixes Raspberry Pi CM4/5 ethernet connection not working after booting up.

All clock circuitry selection jumper were changed to analog muxes a shown in Figure 26.

../_images/LimePSB-RPCM_v1.4_diagrams_r3_clock.png

Figure 26 LimePSB RPCM v1.4 clock diagram

RFFE Changes

Replaced discontinued SKY13286-359LF RF switches with F2972NEGK. Swapped RF switches RF1 and RF2 ports so RF_SW_TDD polarity inverted.

Added RF couplers (HHM22152A2) for channel A and B TX PA RF outputs.

Mentioned RFFE schematic changes are highlighted in Figure 27.

../_images/LimePSB-RPCM_v1.4_RFFE_changes.png

Figure 27 RFFE changes

Due to changed RF_SW_TDD polarity a pull-up resistor was added and pull-down resistor was removed from BOM as shown in Figure 28.

../_images/LimePSB-RPCM_v1.4_TDD_changes.png

Figure 28 TDD control changes

Added RF power detectors (LTC5587) for channel A and B TX PA RF outputs. RF power detector schematic is shown in Figure 29 .

../_images/LimePSB-RPCM_v1.4_RFPD_changes.png

Figure 29 RF power detectors schematics

Power Changes

Changed discrete PoE solution (NCP1083) to PoE module (AG5712-LPB). New POE shcmatic is shown in Figure 30.

../_images/LimePSB-RPCM_v1.4_POE_changes.png

Figure 30 POE module schematics

Removed VCC2P5 circuit from BOM as shown in Figure 31.

../_images/LimePSB-RPCM_v1.4_VCC2P5_changes.png

Figure 31 VCC2P5 schematics

Changed R135 from 1k to 330R as shown in Figure 32.

../_images/LimePSB-RPCM_v1.4_R135_changes.png

Figure 32 Voltage reference schematic

PCB Changes

Layout and PCB changes for LimePSB-RPCM v1.4 board are as follows:

  • Changes made according to schematic.

  • Moved 3.5mm A/V socked to the PCB edge and made cutout for socket ring.

  • Changed tactile switch from 1825027-5 (L=3.86mm) to CT1102V6.85F160 (L=6.85mm).

  • Changed LED light pipes from SLP3-200-100-F (center line 0.2” (5.1mm)) to SLP3-150-100-F (center line 0.15” (3.8mm)).

  • Added HDMI and USB3 internal layer trace impedance requirements in specification.

  • Board size and main components positions remained the same.

../_images/LimePSB-RPCM_v1.4_3D_top.png

Figure 33 LimePSB RPCM v1.4 board top view

../_images/LimePSB-RPCM_v1.4_3D_bot.png

Figure 34 LimePSB RPCM v1.4 board bottom view