LimeSDR XTRX v1.3 Board
Introduction
LimeSDR XTRX v1.3 Board Key Features
LimeSDR XTRX is Small form factor mini PCIe expansion card Software Defined Radio (SDR) board. It provides a hardware platform for developing and prototyping high-performance and logic-intensive digital and RF designs based on Xilinx’s XC7A50T-2CPG236I FPGA and Lime Microsystems transceiver chipsets.
LimeSDR XTRX is a building block for any Massive MIMO configuration from 2Tx2R to 32Tx32R for very high data rate applications. Hence, it could be used in conjunction with any digital processors (ASICs, GPPs and GPUs) of varying level of performance in terms of speed, power dissipation and cost to fit any air interface from narrowband to broadband signals. The board is designed for maximum scalability in terms of the following parameters:
Frequency and Bandwidth: The heard of the board is the Lime Transceiver RFIC (LMS7002) providing frequency flexibility up to 3.8GHz and bandwidths of over 100MHz.
Baseband Interface: A significant level of digital circuitry resides within the LMS7002 and accompanying Xilinx for the implementation of the key physical layer radio functions including filtering, decimation, interpolation and flexible interface such as PCIe and SerDes to name a few.
Figure 1: LimeSDR XTRX v1.3 board top view
Figure 2: LimeSDR XTRX v1.3 board bottom view
LimeSDR XTRX board features:
RF and BB parameters:
Configuration: MIMO (2xTX, 2xRX)
Frequency range: 30 MHz – 3.8 GHz
Bandwidth: 30.72 MHz
Sample depth: 12 bit
Sample rate: 30.72 MSPS
Transmit power: max 10 dBm (depending on frequency)
USB 2.0 controller: Microchip USB3333E-GL
FPGA: board is designed based on Xilinx Artix-7 XC7A50T-2CPG236I FPGAs in 236-ball CSBGA package. Xilinx XC7A50T-2CPG236I features are:
236-pin CSBGA package (10mm x 10mm, 0.5mm)
52160 LUTs logic capacity
2700 Kb Embedded Memory
600 Kb distributed RAM
120x 18x18-bit multipliers
5x PLLs and 4x DLLs
106 IOs
FPGA configuration via JTAG
RF transceiver: Lime Microsystems LMS7002M
EEPROM Memory: 128Kb EEPROM for LMS MCU firmware (optional); 128Kb EEPROM for FPGA data (optional)
FLASH Memory: 256Mb Flash memory for FPGA configuration
Temperature sensor: TMP1075NDRLR
General user inputs/outputs:
2x Green LEDs
4x GPIOs 3.3V in GPIO connector
1x GPIO in Baseband connectors
Connections:
USB 2.0 (Micro-B) socket
Coaxial RF (U.FL female) connectors
FPGA GPIO 8-pin FPC connector
FPGA JTAG connector (unpopulated)
Mini PCIe edge connector
RF Baseband 15-pin FPC connectors
Clock system:
26.00MHz on board VCTCXO
VCTCXO may be tuned by on board DAC
Reference clock input and output connectors (U.FL and mPCIe)
Board size: 50.8mm x 29.7mm (PCIe Mini card form factor)
Board power sources: USB connector (5V) or mini PCIe (3.3V)
For more information on the following topics, refer to the respective documents:
Board Overview
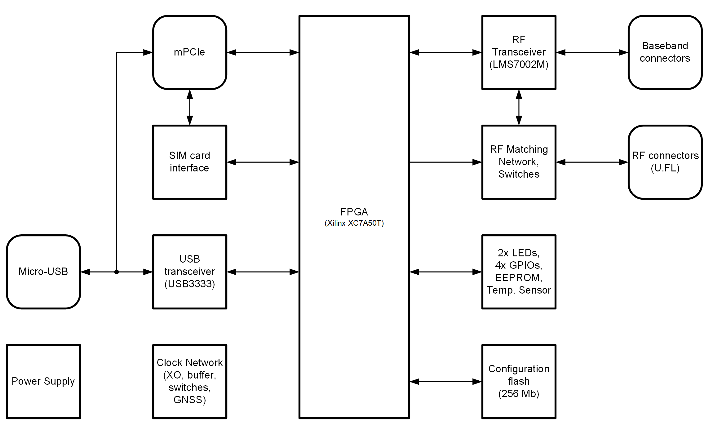
One of the key elements of LimeSDR XTRX board is the Xilinx Artix-7 (XC7A50T-2CPG236I) FPGA. It’s main function is to transfer digital data between LMS7002M RF transceiver and PC through a mini PCIe edge connector or Serial connection to another FPGA board. The block diagram for LimeSDR XTRX board is presented in the Figure 3.
Figure 3: LimeSDR XTRX v1.3 board block diagram
This section contains component location description on the board. LimeSDR XTRX board picture with highlighted connectors and main components are presented in Figure 4 and Figure 5, respectively.
Figure 4: LimeSDR XTRX v1.3 board top connectors and main components
Figure 5: LimeSDR XTRX v1.3 board bottom connectors and main components
Description of board components is given in the Table 1.
Featured Devices |
||
|---|---|---|
Board Reference |
Type |
Description |
IC1 |
RF transceiver |
Lime Microsystems LMS7002M |
IC7 |
FPGA |
Xilinx Artix-7(XC7A50T-2CPG236I) |
IC19 |
USB 3.0 microcontroller |
Microchip USB 2.0 to transceiver chip USB3333E-GL |
Miscellaneous devices |
||
IC9 |
IC |
Temperature sensor TMP1075NDRLR |
IC16 |
IC |
SIM Card Interface NVT4555UKZ |
Configuration, Status and Setup Elements |
||
X9 |
JTAG chain connector |
FPGA programming connector on the PCB bottom side (compatible with Molex 788641001 connector) |
LED1, LED2 |
Status LEDs |
User defined FPGA indication LEDs |
General User Input/Output |
||
X12 |
Pin header |
8-pin FPC connector |
Memory Devices |
||
IC2 |
IC |
I²C EEPROM Memory 128Kb (16 x 8), connected to LMS7002M RF transceiver I2C bus |
IC13 |
IC |
I²C EEPROM Memory 128Kb (16K x 8), connected to FPGA I2C bus |
IC18 |
IC |
SPI Flash Memory 256 Mb (32M x 8) connected to FPGA SPI |
Communication Ports |
||
X11 |
USB 2.0 |
USB 2.0 Micro-B socket |
X10 |
mini PCIe |
mini PCI Express Card Edge connector |
Clock Circuitry |
||
XO1 |
VCTCXO |
26.00 MHz Voltage Controlled Temperature Compensated Crystal Oscillator |
IC17 |
IC |
16 bit DAC for VCTCXO (XO1) frequency tuning (default) |
IC11 |
IC |
GNSS Receiver module |
IC8 |
IC |
Clock buffer LMK00105 |
IC15 |
IC |
Analogue switch |
IC20 |
IC |
Analogue switch |
X7 |
U.FL connector |
Reference clock input/output (CLK) |
X6 |
U.FL connector |
1PPS input |
X5 |
U.FL connector |
GNSS (active) antenna connector |
Power Supply |
||
IC22 |
IC |
Four-output switching regulator LP8758A1E0YFFR |
IC31 |
IC |
Four-output switching regulator LP8758A1E0YFFR |
IC21 |
IC |
Linear regulator LD39100PUR |
IC26 |
IC |
Linear regulator LD39100PUR |
IC29 |
IC |
Linear regulator LD39100PUR |
IC32 |
IC |
Linear regulator LD39100PUR |
LimeSDR XTRX Board Architecture
More detailed description of LimeSDR XTRX board components and interconnections is given in the following sections of this chapter.
LMS7002M RF transceiver digital connectivity
The interface and control signals are described below:
Digital Interface Signals: LMS7002 is using data bus LMS_DIQ1_D[11:0] and LMS_DIQ2_D[11:0], LMS_EN_IQSEL1 and LMS_EN_IQSEL2, LMS_FCLK1 and LMS_FCLK2, LMS_MCLK1 and LMS_MCLK2 signals to transfer data to/from the XILINX FPGA. Indices 1 and 2 indicate transceiver digital data PORT-1 or PORT-2. Any of these ports can be used to transmit or receive digital IQ data. By default PORT-1 is selected as transmitter port and PORT-2 is selected as receiver port. The FCLK# is input clock and MCLK# is output clock for the LMS7002M transceiver. TXNRX signals are used to indicate ports direction. Please refer to LMS7002M transceiver datasheet page 12-13. [link] for the LMS7002M interface timing.
LMS Control Signals: these signals are used for the following functions within the LMS7002 RFIC: * LMS_RXEN, LMS_TXEN – receiver and transmitter enable/disable signals connected to FPGA Bank 14 (3.3V). * LMS_RESET – LMS7002M reset is connected to FPGA Bank 14 (3.3V).
SPI Interface: LMS7002M transceiver is configured via 4-wire SPI interface: FPGA_SPI_SCLK, FPGA_SPI_MOSI, FPGA_SPI_MISO, FPGA_SPI_LMS_SS. The SPI interface is connected to FPGA Bank 14 (3.3V).
LMS I2C Interface: can be used for LMS EEPROM content modification or debug purposes. The signals LMS_I2C_SCL and LMS_I2C_DATA are connected to EEPROM.
Chip pin (IC1) |
Chip reference (IC1) |
Schematic signal name |
FPGA pin |
FPGA I/O standard |
Description |
|---|---|---|---|---|---|
E5 |
xoscin_tx |
LMS_TxPLL_CLK |
Connected to reference clock |
||
AB34 |
MCLK1 |
LMS_MCLK1 |
L17 |
3.3V |
|
AA33 |
FCLK1 |
LMS_FCLK1 |
G19 |
3.3V |
|
V32 |
TXNRX1 |
LMS_TXNRX1 |
V15 |
3.3V |
|
U29 |
TXEN |
LMS_TXEN |
W19 |
3.3V |
|
Y32 |
ENABLE_IQSEL1 |
LMS_EN_IQSEL1 |
P19 |
3.3V |
|
AG31 |
DIQ1_D0 |
LMS_DIQ1_D0 |
J17 |
3.3V |
|
AF30 |
DIQ1_D1 |
LMS_DIQ1_D1 |
H17 |
3.3V |
|
AF34 |
DIQ1_D2 |
LMS_DIQ1_D2 |
H19 |
3.3V |
|
AE31 |
DIQ1_D3 |
LMS_DIQ1_D3 |
K17 |
3.3V |
|
AD30 |
DIQ1_D4 |
LMS_DIQ1_D4 |
G17 |
3.3V |
|
AC29 |
DIQ1_D5 |
LMS_DIQ1_D5 |
V16 |
3.3V |
|
AE33 |
DIQ1_D6 |
LMS_DIQ1_D6 |
J19 |
3.3V |
|
AD32 |
DIQ1_D7 |
LMS_DIQ1_D7 |
M19 |
3.3V |
|
AC31 |
DIQ1_D8 |
LMS_DIQ1_D8 |
P17 |
3.3V |
|
AC33 |
DIQ1_D9 |
LMS_DIQ1_D9 |
N19 |
3.3V |
|
AB30 |
DIQ1_D10 |
LMS_DIQ1_D10 |
U17 |
3.3V |
|
AB32 |
DIQ1_D11 |
LMS_DIQ1_D11 |
U16 |
3.3V |
|
AM24 |
xoscin_rx |
LMS_RxPLL_CLK |
Connected to reference clock |
||
P34 |
MCLK2 |
LMS_MCLK2 |
W5 |
3.3V |
|
R29 |
FCLK2 |
LMS_FCLK2 |
W6 |
3.3V |
|
U31 |
TXNRX2 |
LMS_TXNRX2 |
U5 |
3.3V |
|
V34 |
RXEN |
LMS_RXEN |
W18 |
3.3V |
|
R33 |
ENABLE_IQSEL2 |
LMS_EN_IQSEL2 |
W7 |
3.3V |
|
H30 |
DIQ2_D0 |
LMS_DIQ2_D0 |
W2 |
3.3V |
|
J31 |
DIQ2_D1 |
LMS_DIQ2_D1 |
U2 |
3.3V |
|
K30 |
DIQ2_D2 |
LMS_DIQ2_D2 |
U3 |
3.3V |
|
K32 |
DIQ2_D3 |
LMS_DIQ2_D3 |
V3 |
3.3V |
|
L31 |
DIQ2_D4 |
LMS_DIQ2_D4 |
V4 |
3.3V |
|
K34 |
DIQ2_D5 |
LMS_DIQ2_D5 |
V2 |
3.3V |
|
M30 |
DIQ2_D6 |
LMS_DIQ2_D6 |
V5 |
3.3V |
|
M32 |
DIQ2_D7 |
LMS_DIQ2_D7 |
V4 |
3.3V |
|
N31 |
DIQ2_D8 |
LMS_DIQ2_D8 |
V8 |
3.3V |
|
N33 |
DIQ2_D9 |
LMS_DIQ2_D9 |
U4 |
3.3V |
|
P30 |
DIQ2_D10 |
LMS_DIQ2_D10 |
U8 |
3.3V |
|
P32 |
DIQ2_D11 |
LMS_DIQ2_D11 |
U7 |
3.3V |
|
U33 |
CORE_LDO_EN |
LMS_CORE_LDO_EN |
W17 |
3.3V |
|
E27 |
RESET |
LMS_RESET |
U19 |
3.3V |
|
D28 |
SEN |
FPGA_SPI_LMS_SS |
W13 |
3.3V |
SPI interface |
C29 |
SCLK |
FPGA_SPI_SCLK |
W14 |
3.3V |
SPI interface |
F30 |
SDIO |
FPGA_SPI_MOSI |
W16 |
3.3V |
SPI interface |
F28 |
SDO |
FPGA_SPI_MISO |
W15 |
3.3V |
SPI interface |
D26 |
SDA |
LMS_I2C_SDA |
Connected to EEPROM |
||
C27 |
SCL |
LMS_I2C_SCL |
Connected to EEPROM |
RF network control signals
LimeSDR XTRX RF network contains matching networks, RF switches, loopback variable attenuator and U.FL connectors (X1, X3 - TX and X2, X4 - RX) as shown in Figure 6.
Figure 6. LimeSDR XTRX v1.3 RF diagram
LMS7002M RF transceiver TX and RX ports has dedicated matching network which determines the working frequency range. More detailed information on LMS7002M RF transceiver ports and matching network frequency ranges is listed in the Table 3.
LMS7002M RF transceiver port |
Frequency range |
|---|---|
TX1_1, TX2_1 |
2 GHz - 2.6 GHz |
TX1_2, TX2_2 |
30 MHz - 1.9 GHz |
RX1_H, RX2_H |
2 GHz - 2.6 GHz |
RX1_W, RX2_W |
700 MHz - 900 MHz |
RX1_L, RX2_L |
300 MHz – 2.2 GHz |
RF network switches are controlled via 2.4V logic signals. This is achieved by resistor dividers connected between FPGA (TX_SW, RX_SW1, RX_SW2) and switch control pin (TX_SW_DIV, RX_SW1_DIV, RX_SW2_DIV). RF network control signals are described in the Table 4.
Component |
Schematic signal name |
I/O standard |
FPGA pin |
Description |
|---|---|---|---|---|
SKY13330-397LF(IC5 and IC6) |
TX_SW/TX_SW_DIV |
3.3V |
P1 |
FPGA 3.3V logic level signal divided to 2.4V logic level. |
SKY13414-485LF(IC3 and IC4) |
RX_SW1/RX_SW1_DIV |
3.3V |
K3 |
FPGA 3.3V logic level signal divided to 2.4V logic level. |
RX_SW2/RX_SW2_DIV |
3.3V |
J3 |
FPGA 3.3V logic level signal divided to 2.4V logic level. |
LMS7002M baseband connectors
LMS7002M RF transceiver (IC1)) baseband signals (RX ADC and TX DAC) can be accessed via 0.3mm pitch 15 pin FPC connectors (X13 and X8). RX DAC connector pinout is shown in Table 5. TX ADC connector pinout is shown in Table 6.
Pin |
Schematic signal name |
Description |
|---|---|---|
1 |
GND |
Ground |
2 |
DAC1Q_P |
Channel 1 quadrature signal differential positive |
3 |
DAC1Q_N |
Channel 1 quadrature signal differential negative |
4 |
GND |
Ground |
5 |
DAC1I_P |
Channel 1 in-phase signal differential positive |
6 |
DAC1I_N |
Channel 1 in-phase signal differential negative |
7 |
GND |
Ground |
8 |
GPIO13 |
General purpose input/output (FPGA pin T17) |
9 |
GND |
Ground |
10 |
DAC2Q_P |
Channel 2 quadrature signal differential positive |
11 |
DAC2Q_N |
Channel 2 quadrature signal differential negative |
12 |
GND |
Ground |
13 |
DAC2I_P |
Channel 2 in-phase signal differential positive |
14 |
DAC2I_N |
Channel 2 in-phase signal differential negative |
15 |
GND |
Ground |
Pin |
Schematic signal name |
Description |
|---|---|---|
1 |
GND |
Ground |
2 |
ADC1I_P |
Channel 1 in-phase signal differential positive |
3 |
ADC1I_N |
Channel 1 in-phase signal differential negative |
4 |
GND |
Ground |
5 |
DAC1Q_P |
Channel 1 quadrature signal differential positive |
6 |
DAC1Q_N |
Channel 1 quadrature signal differential negative |
7 |
GND |
Ground |
8 |
GPIO13 |
General purpose input/output (FPGA pin T17) |
9 |
GND |
Ground |
10 |
ADC2I_P |
Channel 2 in-phase signal differential positive |
11 |
ADC2I_N |
Channel 2 in-phase signal differential negative |
12 |
GND |
Ground |
13 |
ADC2Q_P |
Channel 2 quadrature signal differential positive |
14 |
ADC2Q_N |
Channel 2 quadrature signal differential negative |
15 |
GND |
Ground |
USB 2.0 controller
LimeSDR XTRX could be powered and programmed via USB 2.0 by connecting it to micro-B port or mini PCIe connector. USB 2.0 is implemented using Microchip USB3333E-GL transceiver [link]. The controller signals description are shown below:
USB_D[7:0] – 8-bit data interface is connected to FPGA.
USB_NRST, USB_NXT, USB_DIR, USB_STP – interface control signals.
USB_CLK – interface clock. Clock from transceiver is fed to XILINX FPGA.
USB_26M – interface clock. Clock from FPGA is fed to Lime transceiver.
USB 2.0 controller pins, schematic signal names, FPGA interconnections and I/O standard are described in Table 7.
Chip pin (IC19) |
Chip reference (IC19) |
Schematic signal name |
FPGA pin |
I/O standard |
|---|---|---|---|---|
C2 |
RESETB |
USB_NRST |
M18 |
3.3V |
E3 |
DAT7 |
USB_D7 |
C15 |
3.3V |
E4 |
DAT6 |
USB_D6 |
A14 |
3.3V |
E5 |
DAT5 |
USB_D5 |
A15 |
3.3V |
D4 |
DAT4 |
USB_D4 |
B15 |
3.3V |
D5 |
DAT3 |
USB_D3 |
A16 |
3.3V |
C4 |
DAT2 |
USB_D2 |
B16 |
3.3V |
C5 |
DAT1 |
USB_D1 |
A17 |
3.3V |
B4 |
DAT0 |
USB_D0 |
B17 |
3.3V |
A3 |
STP |
USB_STP |
C17 |
3.3V |
B5 |
NXT |
USB_NXT |
A18 |
3.3V |
A4 |
DIR |
USB_DIR |
B18 |
3.3V |
A5 |
CLKOUT |
USB_CLK |
C16 |
3.3V |
A2 |
REFCLK |
USB_26M |
E19 |
3.3V |
Indication LEDs
LimeSDR XTRX board comes with two green indicator LEDs. These LEDs are soldered on the top of the board near the USB Micro-B connector.
Figure 7. LimeSDR XTRX indication LEDs (top)
LEDs are connected to FPGA hence their function may be programmed according to the user requirements. Default LEDs configuration and description are shown in Table 8.
Board Reference |
Schematic name |
Board label |
FPGA pin |
Description |
|---|---|---|---|---|
LED1 |
FPGA_LED1 |
LED1 |
N18 |
User defined |
LED2 |
FPGA_LED2 |
LED2 |
V19 |
User defined |
Low speed interfaces
FPGA_SPI pins, schematic signal names, FPGA interconnections and I/O standards/levels are shown in Table 9.
Schematic signal name |
FPGA pin |
I/O standard |
Comment |
|---|---|---|---|
FPGA_SPI_SCLK |
W14 |
3.3V |
Serial Clock (FPGA output) |
FPGA_SPI_MOSI |
W16 |
3.3V |
Data (FPGA output) |
FPGA_SPI_MISO |
W15 |
3.3V |
Data (FPGA input) |
FPGA_SPI_LMS_SS |
W13 |
3.3V |
IC1 (LMS7002 (IC1)) SPI slave select (FPGA output) |
FPGA_CFG_SPI pins, schematic signal names, FPGA interconnections and I/O standards are shown in Table 10.
Schematic signal name |
FPGA pin |
I/O standard |
Comment |
|---|---|---|---|
FPGA_CFG_CCLK |
C11 |
3.3V |
Serial Clock (FPGA output) |
FPGA_CFG_CS |
K19 |
3.3V |
IC18 SPI slave select (FPGA output) |
FPGA_CFG_D00 |
D18 |
3.3V |
|
FPGA_CFG_D01 |
D19 |
3.3V |
|
FPGA_CFG_D02 |
G18 |
3.3V |
|
FPGA_CFG_D03 |
F18 |
3.3V |
FPGA_I2C1 (temperature sensor, EEPROM, CLK DAC, switching regulator) and FPGA_I2C2 (switching regulator) interface slave devices and related information are given in Table 11.
I2C slave device |
Slave device |
Inteface |
I2C address |
I/O standard |
Comment |
|---|---|---|---|---|---|
IC9 |
Temperature sensor |
FPGA_I2C1 |
1 0 0 1 0 1 1 RW |
3.3V |
TMP1075NDRLR |
IC13 |
EEPROM |
1 0 1 0 0 0 0 RW |
3.3V |
M24128 |
|
IC17 |
CLK DAC |
1 0 0 1 1 0 0 RW |
3.3V |
AD5693RACPZ |
|
IC22 |
Switching regulator |
1 1 0 0 0 0 0 RW |
3.3V |
LP8758A1E0YFFR |
|
IC31 |
Switching regulator |
FPGA_I2C2 |
1 1 0 0 0 0 0 RW |
3.3V |
LP8758A1E0YFFR |
To debug FPGA design, flash bitstream to FPGA and/or Flash memory JTAG X9 connector is used. It is located on the PCB bottom side (see Figure 5: LimeSDR XTRX v1.3 board bottom connectors and main components) and is compatible with Molex 788641001 connector. JTAG connector pins, schematic signal names, FPGA interconnections and I/O standards are listed in Table 12.
Connector pin |
Schematic signal name |
FPGA pin |
I/O standard |
Comment |
|---|---|---|---|---|
1 |
TDO |
W8 |
3.3V |
Test Data Out |
2 |
TDI |
W10 |
3.3V |
Test Data In |
3 |
TMS |
W9 |
3.3V |
Test Mode Select |
4 |
VCC3P3 |
Power (3.3V) |
||
5 |
TCK |
C8 |
3.3V |
Test Clock |
6 |
GND |
Ground |
GPIO connectors
Four GPIOs from FPGA are connected to 8 pin FPC connector (X12). GPIOS are separated by ground pins. Additional pin is dedicated for power as shown in Table 13.
Connector pin |
Schematic signal name |
FPGA pin |
I/O standard |
Comment |
|---|---|---|---|---|
1 |
VCC3P3 |
3.3V |
Power (3.3V) |
|
2 |
GPIO9_P |
H1 |
3.3V |
|
3 |
GND |
3.3V |
Ground |
|
4 |
GPIO9_N |
J1 |
3.3V |
|
5 |
GND |
3.3V |
Ground |
|
6 |
GPIO11_P |
K2 |
3.3V |
|
7 |
GND |
3.3V |
Ground |
|
8 |
GPIO11_N |
L2 |
3.3V |
Clock Distribution
LimeSDR XTRX board clock distribution block diagram is as shown in Figure 8.
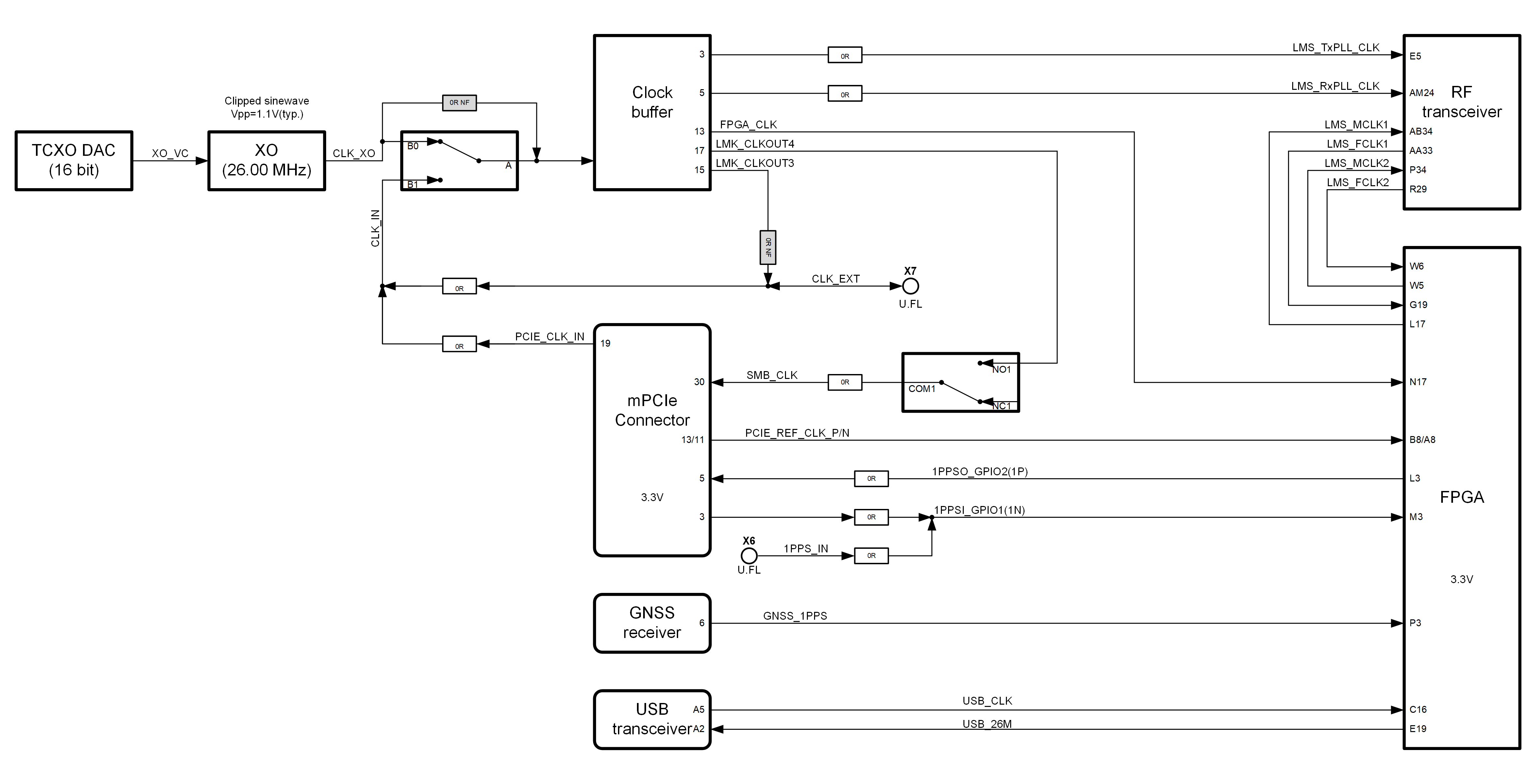
Figure 8. LimeSDR XTRX v1.3 board clock distribution block diagram
LimeSDR XTRX board features an on board 26.00 MHz VCTCXO as the reference clock for LMS7002M RF transceiver and FPGA PLLs.
Rakon E6982LF 26.00 MHz voltage controlled temperature compensated crystal oscillator (VCTCXO) is the clock source for the board. VCTCXO frequency may be tuned by using 16 bit DAC (IC17). Main VCTCXO parameters are listed in Table 14.
Frequency parameter |
Value |
|---|---|
Calibration (25°C ± 1°C) |
± 1 ppm max |
Stability (-40 to 85 °C) |
± 0.2 max |
Long term stability (1 year, 3 years) |
± 1 ppm max, ± 2 ppm max |
Control voltage range |
0.5V .. 2.8V |
Frequency tuning |
± 3 ppm |
Slope |
+4 ppm/V |
Analogue switch gives option to select clock source for RF transceiver and FPGA from buffered VCTCXO onboard clock XO1 (CLK_XO) and external U.FL (X7)/mPCIe (X10) sources (CLK_IN). Buffered VCXO clock (LMK_CLKOUT3 and LMK_CLKOUT4) can also be fed to other board using U.FL (X7)/mPCIe (X10)connectors.
The board clock lines and other related signals/information are listed in Table 15.
Schematic signal name |
Source |
Destination |
I/O standard |
|---|---|---|---|
CLK_XO |
(VC)TCXO (XO1) |
Analog mux |
Clipped sinewave |
CLK_IN |
CLK_EXT or PCIE_CLK_IN |
Analog mux |
3.3V |
CLK_EXT |
U.FL connector |
CLK_IN |
3.3V |
PCIE_CLK_IN |
mPCIe connector |
CLK_IN |
3.3V |
LMS_TxPLL_CLK |
Analog mux |
RF transceiver |
1.8V |
LMS_RxPLL_CLK |
Analog mux |
RF transceiver |
1.8V |
FPGA_CLK |
Analog mux |
FPA |
3.3V |
LMK_CLKOUT3 |
Analog mux |
External |
3.3V |
LMK_CLKOUT4 |
Analog mux |
External |
3.3V |
LMS_MCLK1 |
RF transceiver |
FPGA |
3.3V |
LMS_FCLK1 |
FPGA |
RF transceiver |
3.3V |
LMS_MCLK2 |
RF transceiver |
FPGA |
3.3V |
LMS_FCLK2 |
FPGA |
RF transceiver |
3.3V |
PCIE_REF_CLK_P/N |
PCIe |
FPGA |
|
1PPSO_GPIO2(1P) |
FPGA |
mPCIe |
3.3V |
1PPSI_GPIO1(1N) |
External |
FPGA |
3.3V |
1PPS_IN |
External |
FPGA |
3.3V |
GNSS_1PPS |
GNSS |
FPGA |
3.3V |
Mini PCIe edge connector
LimeSDR XTRX board communicates with the host system via mPCIe connector. LimeSDR XTRX mini PCIe connector pinout and signals according to the specification is given in Table 16.
Pin |
Mini PCIe x1 Specification |
LimeSDR XTRX Schematic signal name |
Description |
|---|---|---|---|
1 |
Wake# |
NC |
Not connected |
2 |
3.3 Vaux |
VCC3P3_MPCIE |
Main power input 3.3V (VCC3P3_MPCIE) |
3 |
COEX1 |
1PPSI_GPIO1(1N) |
External 1PPS input or GPIO1 or GPIO1N, CMOS 3.3 V |
4 |
GND |
GND |
Ground |
5 |
COEX2 |
1PPSO_GPIO2(1P) |
GPS 1PPS output or GPIO2 or GPIO1P, CMOS 3.3 V |
6 |
GND |
NC |
Not connected |
7 |
CLKREQ# |
CLK_REQUEST# |
Tied to GND through resistor 330 Ohm |
8 |
UIM PWR |
UIM_VCC |
User Identity Module interface power 1.8 V or 3V |
9 |
GND |
GND |
Ground |
10 |
UIM_DATA |
UIM_DIO |
User Identity Module interface data 1.8 V or 3V |
11 |
REFCLK- |
PCI_REF_CLK_N |
PCI Express Reference clock differential pair negative signal |
12 |
UIM_CLK |
UIM_CLK |
User Identity Module interface clock 1.8 V or 3V |
13 |
REFCLK+ |
PCI_REF_CLK_P |
PCI Express Reference clock differential pair positive signal |
14 |
UIM_RESET |
UIM_RST |
User Identity Module interface reset 1.8 V or 3V |
15 |
GND |
GND |
Ground |
16 |
UIM_VPP |
NC |
Not connected |
17 |
Reserved |
TDD_GPIO3_N |
TDD TX Enable output or GPIO3N or GPIO4, CMOS 3.3V |
18 |
GND |
GND |
Ground |
19 |
Reserved |
CLK_IN |
External clock input 3.3 V |
20 |
W_DISABLE# |
TDD_GPIO3_P |
GPIO3P or GPIO3 (or Pair of TDD TX Enable), CMOS 3.3V |
21 |
GND |
GND |
Ground |
22 |
PERST# |
PCIE_PERST# |
PCI Express interface reset |
23 |
PERn0 |
PCI_TX0_N |
PCI Express interface output differential pair negative signal |
24 |
3.3Vaux |
NC |
Not connected |
25 |
PERp0 |
PCI_TX0_P |
PCI Express interface output differential pair positive signal |
26 |
GND |
GND |
Ground |
27 |
GND |
GND |
Ground |
28 |
1.5Volt |
NC |
Not connected |
29 |
GND |
GND |
Ground |
30 |
SMB CLK |
SMB_CLK |
Clock output (CLK_OUT) |
31 |
PETn0 |
PCI_RX0_N |
PCI Express interface input differential pair negative signal |
32 |
SMB Data |
SMB_DATA |
GPIO8 |
33 |
PETp0 |
PCI_RX0_P |
PCI Express interface input differential pair positive signal |
34 |
GND |
GND |
Ground |
35 |
GND |
GND |
Ground |
36 |
USB_D- |
USB_D_N |
USB 2.0 data differential pair negative signal |
37 |
GND |
GND |
Jumper to GND. Connected by default |
38 |
USB_D+ |
USB_D_P |
USB 2.0 data differential pair positive signal |
39 |
3.3Vaux |
PCI_TX1_N |
PCI Express interface output differential pair negative signal |
40 |
GND |
GND |
Ground |
41 |
3.3Vaux |
PCI_TX1_P |
PCI Express interface output differential pair positive signal |
42 |
LED_WWAN# |
LED_WWAN#_GPIO5 |
Output for LED WWAN (Negative) or GPIO5 3.3 V |
43 |
GND |
GND |
Jumper to GND. Connected by default |
44 |
LED_WLAN# |
LED_WLAN#_GPIO6 |
Jumper to GND. Connected by default |
45 |
Reserved |
PCIE_RESERVED |
Connected to FPGA (V7) |
46 |
LED_WPAN# |
LED_WPAN#_GPIO7 |
Output for LED WPAN (Negative) or GPIO7 3.3 V |
47 |
Reserved |
PCI_RX1_N |
PCI Express interface input differential pair negative signal |
48 |
1.5Volt |
NC |
Not connected |
49 |
Reserved |
PCI_RX1_P |
PCI Express interface input differential pair positive signal |
50 |
GND |
GND |
Ground |
51 |
Reserved |
PCIE_W_DISABLE2# |
Connected to FPGA (W3) |
52 |
3.3Vaux |
VCC3P3_MPCIE |
Main power input 3.3V (VCC3P3_MPCIE) |
Power Distribution
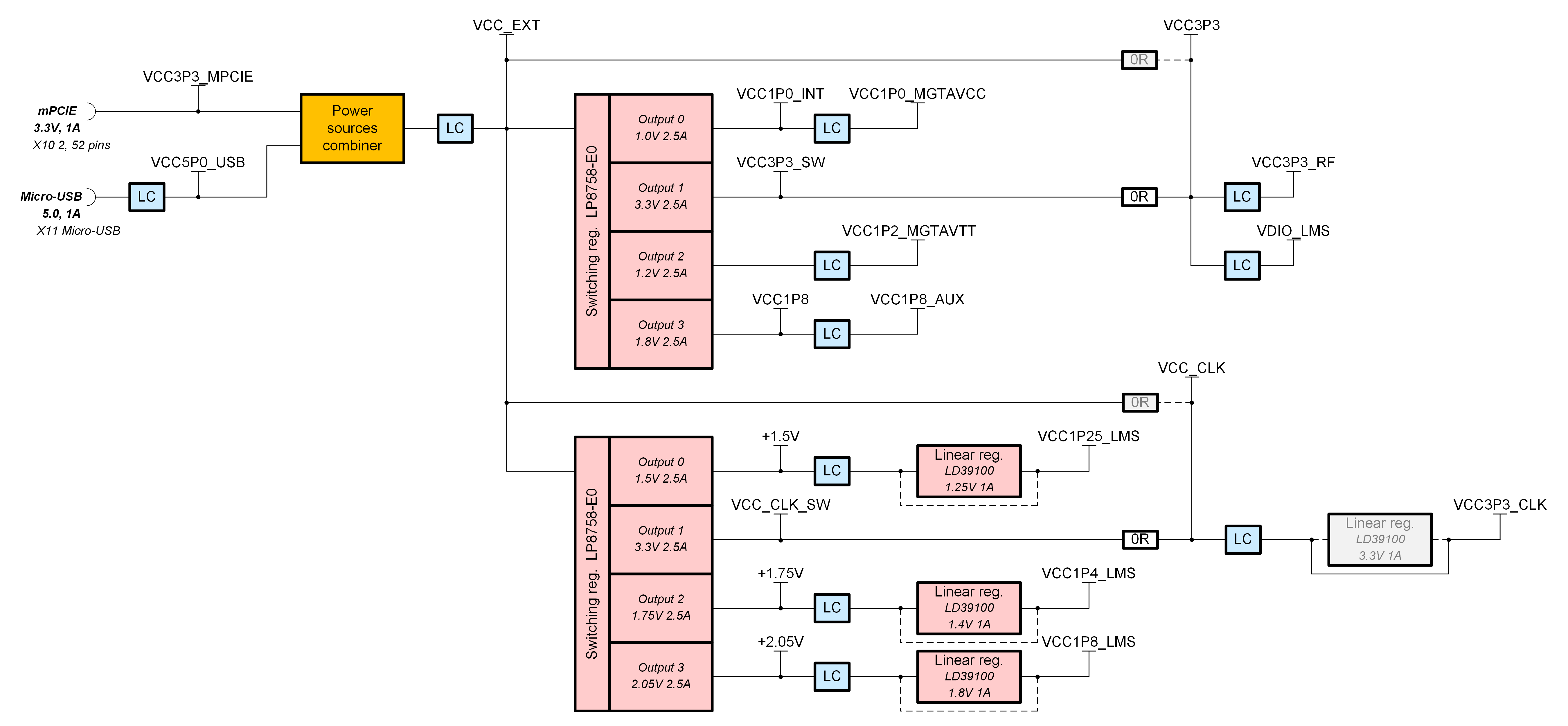
As indicated, LimeSDR XTRX board may be powered via USB port (5V) or mini PCIe edge connector (3.3V). LimeSDR XTRX board power delivery network consists of different power rails/voltages, filters and power sequences. LimeSDR XTRX board power distribution block diagram is presented in Figure 9.
Figure 9. LimeSDR XTRX v1.3 board power distribution block diagram
Differencies from LimeSDR XTRX v1.2
Changes introduction
LimeSDR XTRX v1.3 board is designed using LimeSDR XTRX v1.2 (r1) project as base. The reference clock structure has been changed, replacing the separate general-purpose buffers with one dedicated clock buffer. This should improve clock parameters such as phase jitter. Added the ability to supply an external 3.3V voltage to the lines of that voltage, bypassing the switching regulators and thus avoiding the voltage drop. Also, in this project we started using Altium Variants function to more conveniently manage components assembly info, alternatives and to more easily generate manufacturing information such as BOM and PCB views.
RF transceiver changes
To improve LMS7002M RF parameters a single clock signal (LMS_CLK) for both TX and RX PLLs was replaced by two separate clock signals (LMS_TxPLL_CLK for TX PLL and LMS_RxPLL_CLK for RX PLL) as shown in Figure 10.
Figure 10. Separated LMS7002M RX and TX PLLs clocks schematics
FPGA changes
Since this is new version of the board hardware version (HW_VER) was increased from 2 to 3. This change allows software to automatically distinguish between older and newer board versions. Also bill of materials version (BOM_VER) was reverted back from 1 to 0 (populated R49) to indicate that this is original LimeSDR XTRX v1.3 state. New BOM_VER and HW_VER schematics are given in Figure 11.
Figure 11. FPGA BOM_VER and HW_VER schematics changes
Miscellaneous changes
To make schematic signal naming more consistent added PCIE_CLK_IN signal name was addedd to mPCIe connectors (X10) pin 19. Also CLK_OUT signal name was changed to LMK_CLKOUT4, due to changes in clock network described in clock changes below.
PCIE_PERST# signals pulldown resistor (R90) was removed from schematics.
All described mPCIe schematic changes are shown in Figure 12.
Figure 12. mPCIe connector changes
To make schematics easier to read mechanical components shown in Figure 13 were moved from 05_LMS7002M_RF sheet to 09_Misc sheet.
Figure 13. Mechanical components
Clock changes
LimeSDR XTRX v1.2 clock buffers were unreliable and caused issues for RF tranceiver. A more reliable clock buffer was added. Also XO DAC was changed to more accurate model. Resulting new clock diagram is shown in Figure 14.
Figure 14. LimeSDR XTRX v1.3 board clock block diagram
The new clock buffer is LMK00105. It generates clock signals in 1.8V and 3.3V logic. LMK00105 schematics are given in Figure 15.
Figure 15. New clock buffer LMK00105 schematics
Changed XO DAC from AD5693RACPZ-1RL7 (A grade, INL +-8LSB, internal reference, VLOGIC) to AD5693BCPZ-RL7 (B grade, INL +-3LSB, no internal reference, LDAC). Also removed R69, and populated R68 to tie LDAC pin low. This change make so DAC updates when new data is written to the input register. XO DAC schematic changes are shown in Figure 16.
Figure 16. XO DAC schematics changes
Power changes
Sometimes PCIe 3.3 V power signal voltage is too low for switching regulators 3.3 V outputs. In this case we added possibility to connect VCC_EXT directly to VCC3P3 and VCC_CLK accordingly as shown in Figure 17.
Figure 17. LimeSDR XTRX v1.3 board clock power distribution diagram
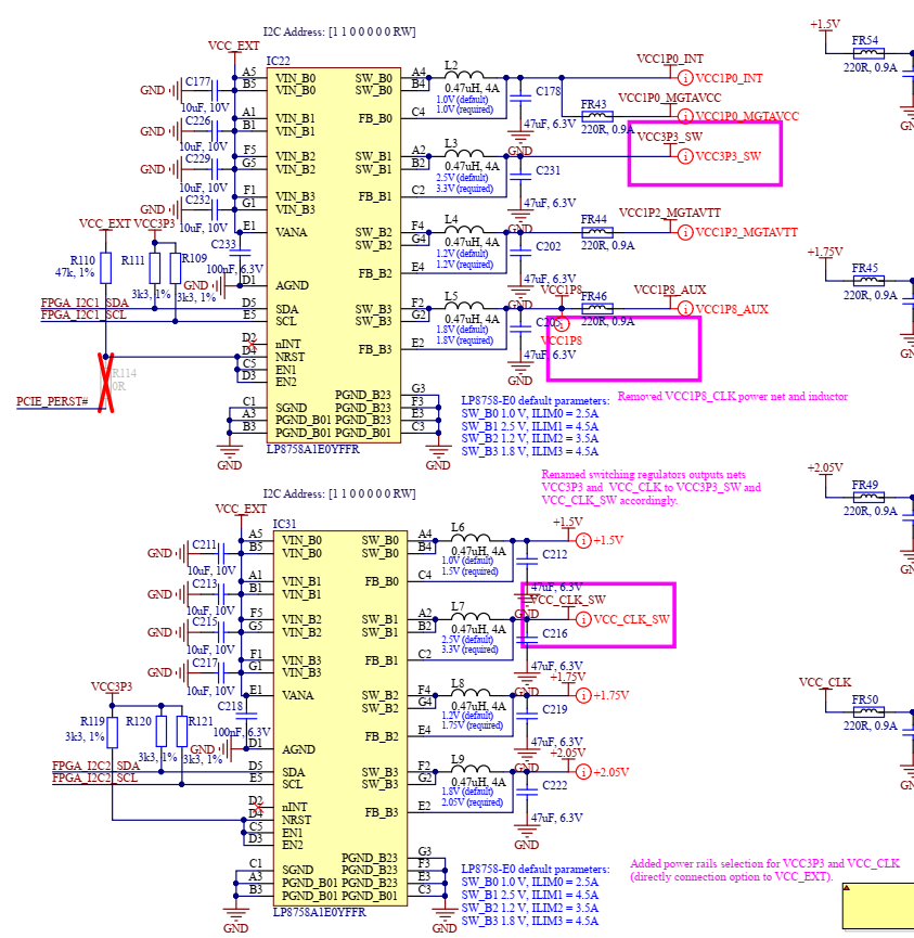
3.3 V Power signals generated by switching regulators were renamed from VCC3P3 to VCC3P3_SW and VCC_CLK to VCC_CLK_SW. And now can be discontented from main VCC3P3 and VCC_CLK power signals by removing R201 and R202. Also removed VCC1P8_CLK power net and inductor. All switching regulators schematic changes are shown in Figure 18.
Figure 18. Switching regulators schematics changes
Added power rails source selection for VCC3P3 and VCC_CLK. By default switching regulator outputs are selected as source (R201, R202 are populated and R198, R199 are remove) as shown in Figure 19.
Figure 19. Power source selection schematcs
PCB changes
LimeSDR XTRX v1.3 is based on LimeSDR XTRX v1.2 layout. The new PCB 3D view is given in Figure 20 and Figure 21.
Figure 20: LimeSDR XTRX v1.3 board top view
Figure 21: LimeSDR XTRX v1.3 board bottom view